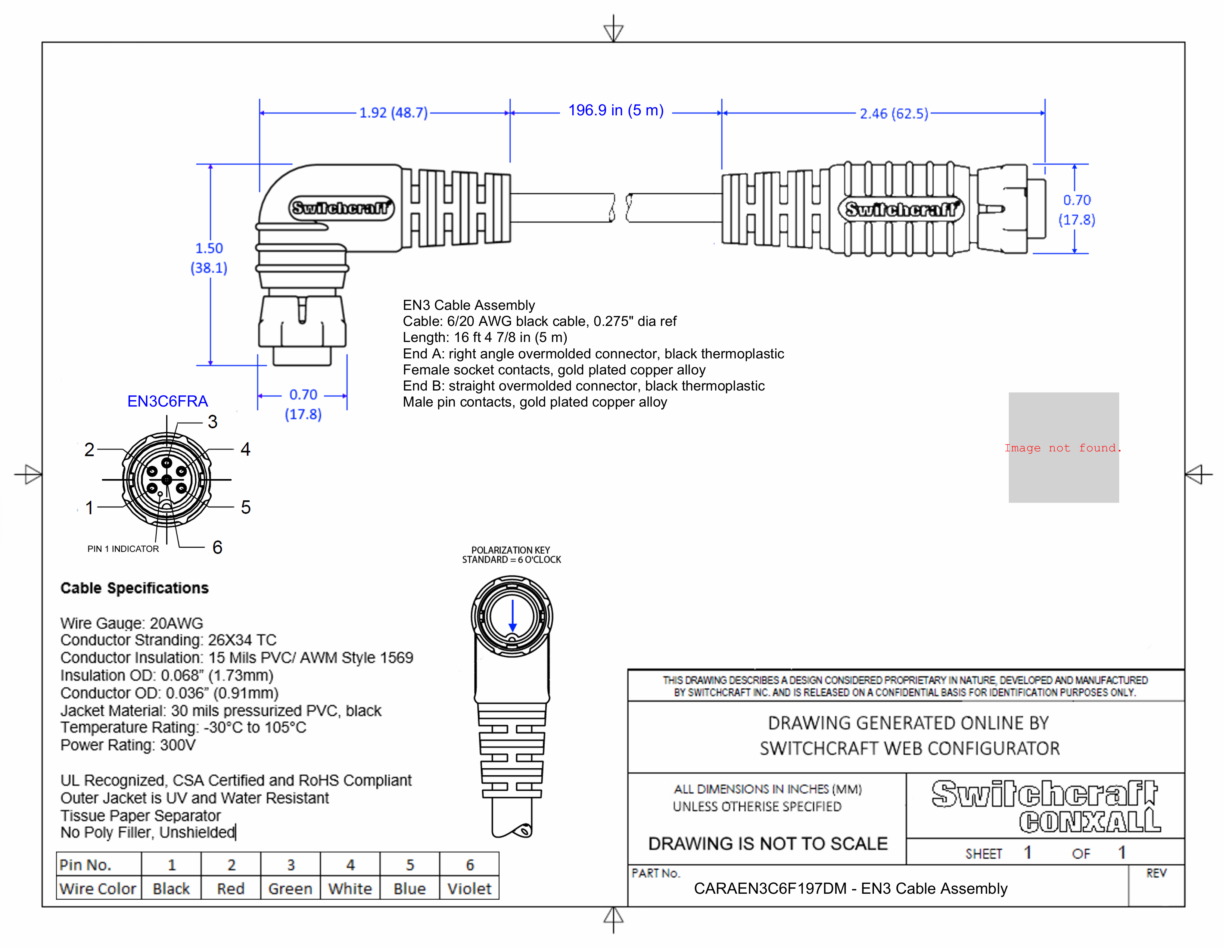
CARAEN3C6F197DM

EN3 Cable Assembly, 6 Position Right Angle, Female to Male, 5 Meter

CARAEN3C6F197DM
Drawings:
 

Buy Now

View More From This Family