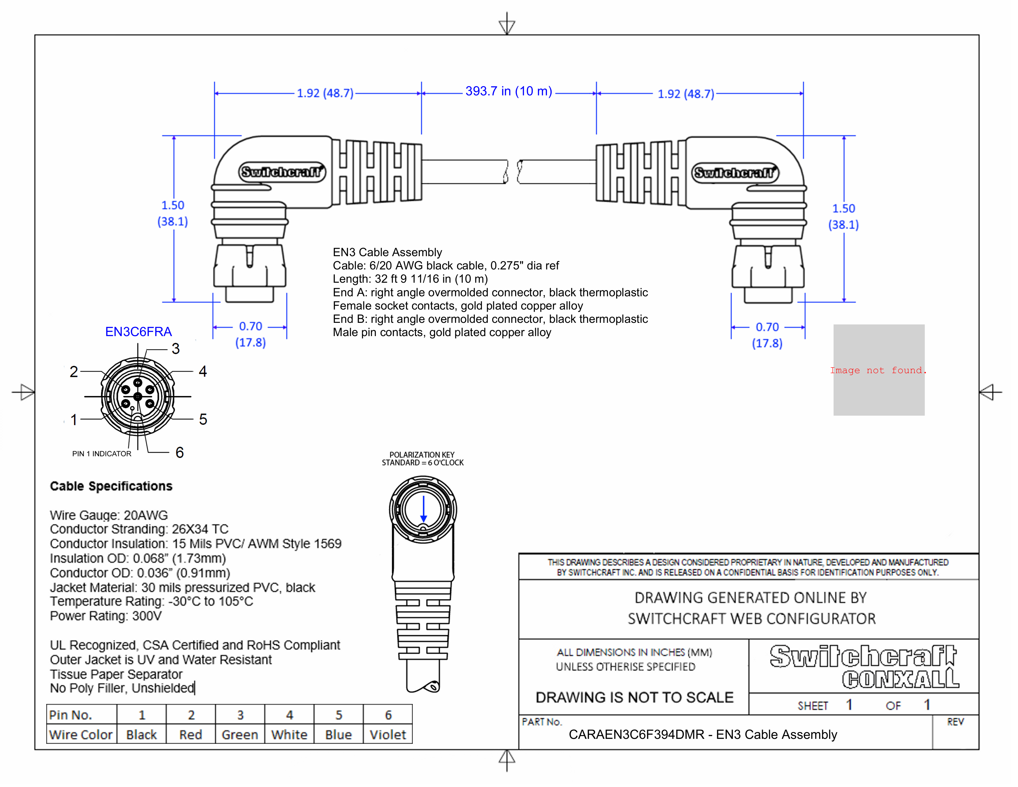
CARAEN3C6F394DMR

EN3 Cable Assembly, 6 Position Right Angle, Female to Right Angle Male, 10 Meter

CARAEN3C6F394DMR
Drawings:
 

Buy Now

View More From This Family