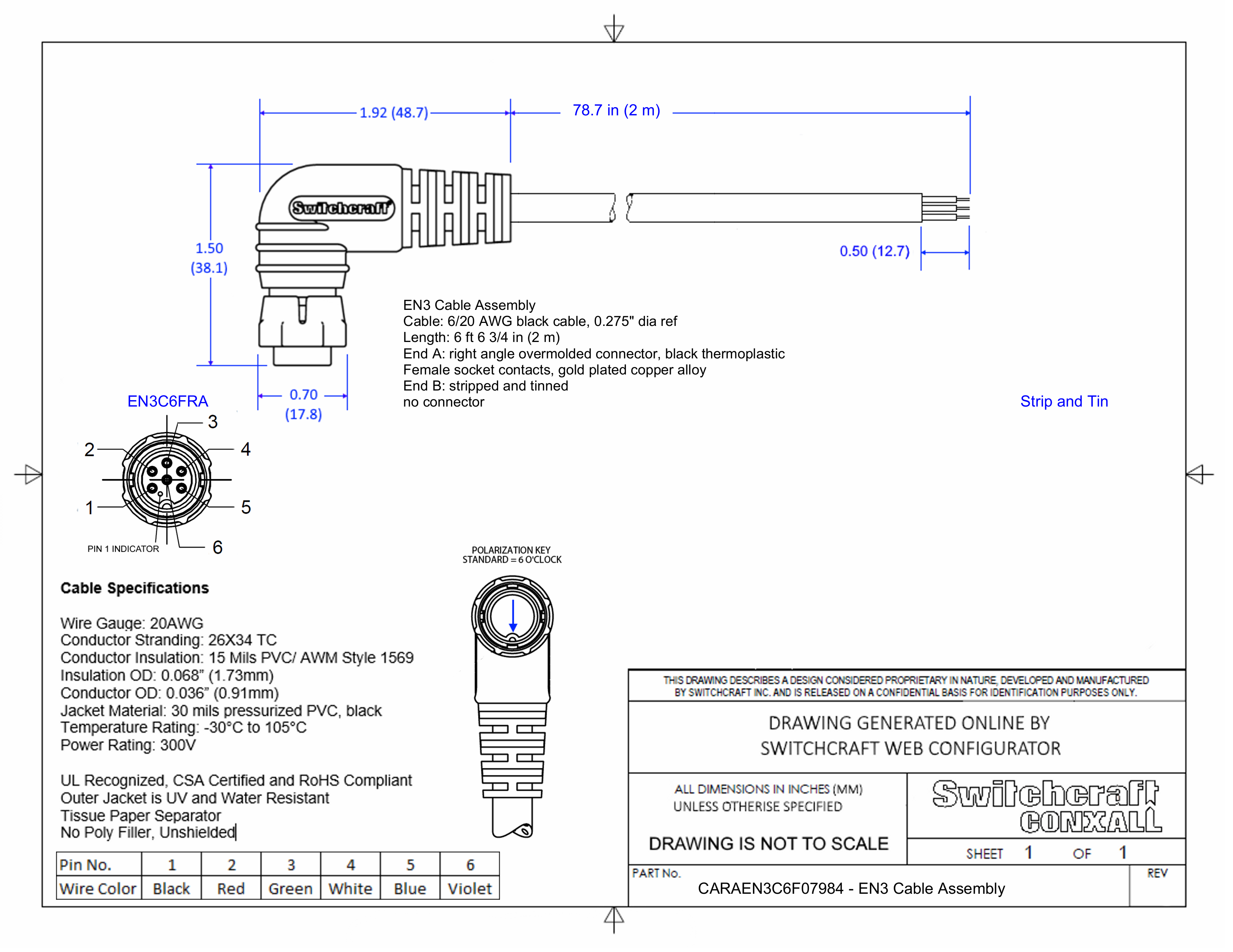
CARAEN3C6F07984

EN3 Cable Assembly, 6 Position Right Angle, Female to Strip and Tin, 2 Meter

CARAEN3C6F07984
Drawings:
 

Buy Now

View More From This Family