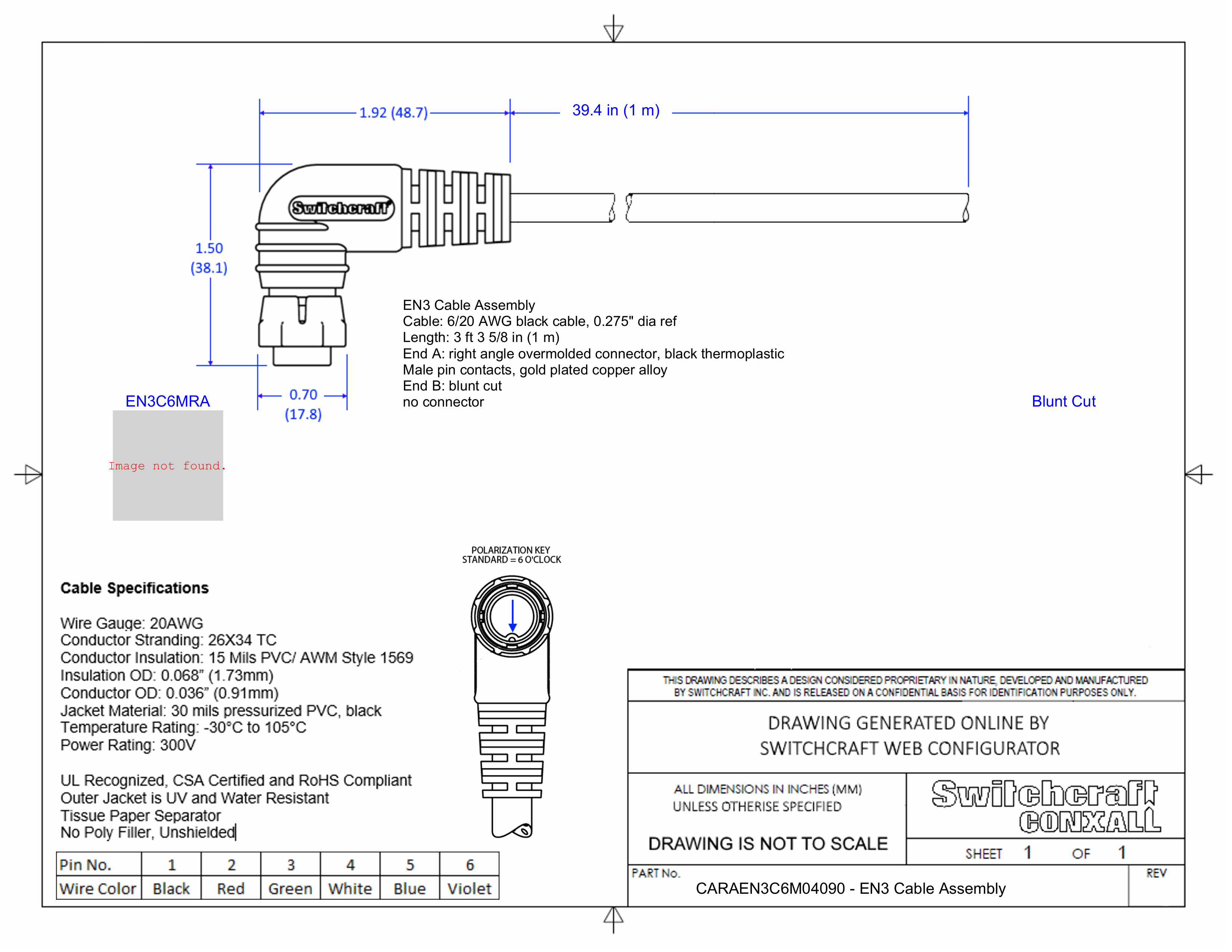
CARAEN3C6M04090

EN3 Cable Assembly, 6 Position Right Angle, Male to Blunt Cut, 1 Meter

CARAEN3C6M04090
Drawings:
 

Buy Now

View More From This Family