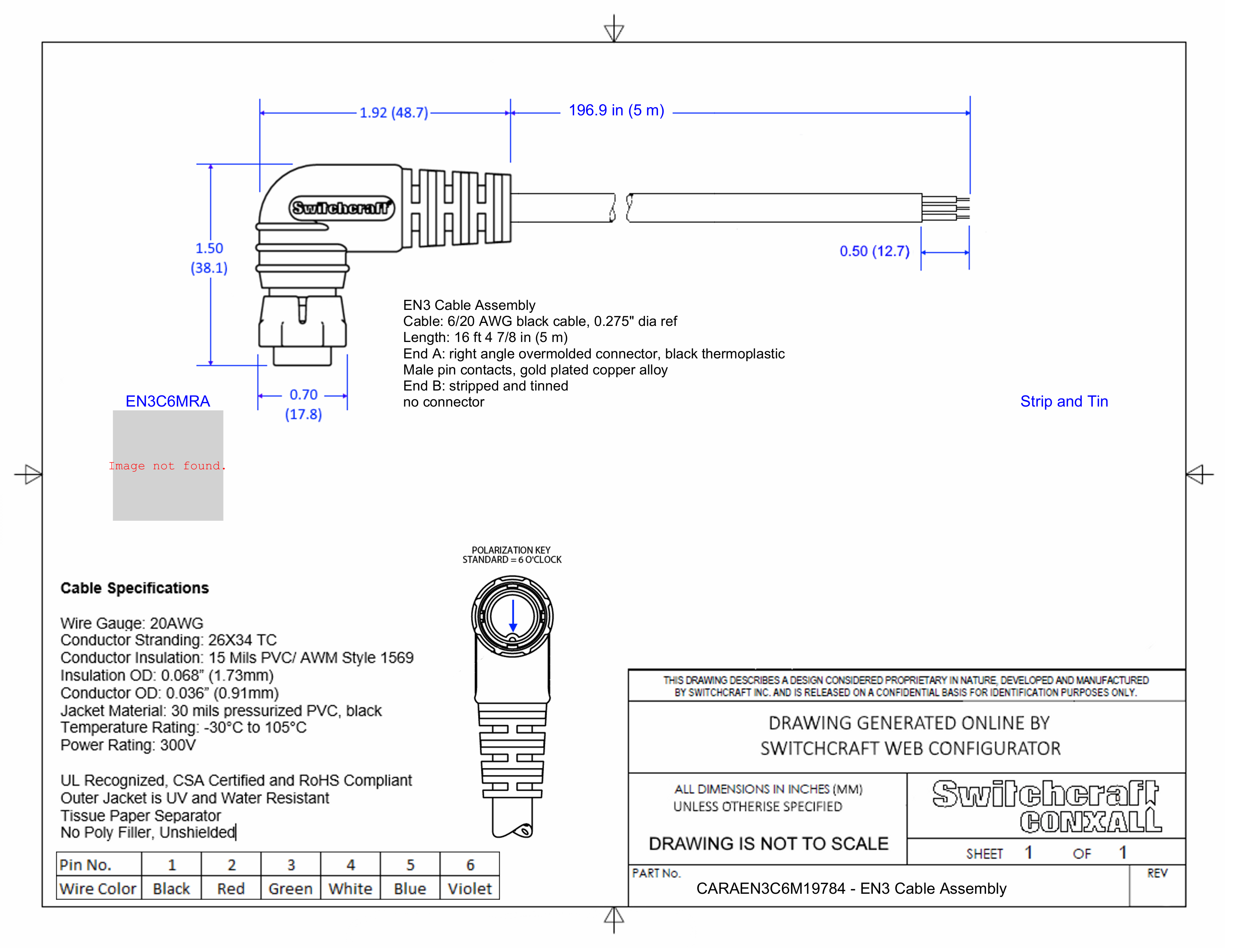
CARAEN3C6M19784

EN3 Cable Assembly, 6 Position Right Angle, Male to Strip and Tin, 5 Meter

CARAEN3C6M19784
Drawings:
 

Buy Now

View More From This Family