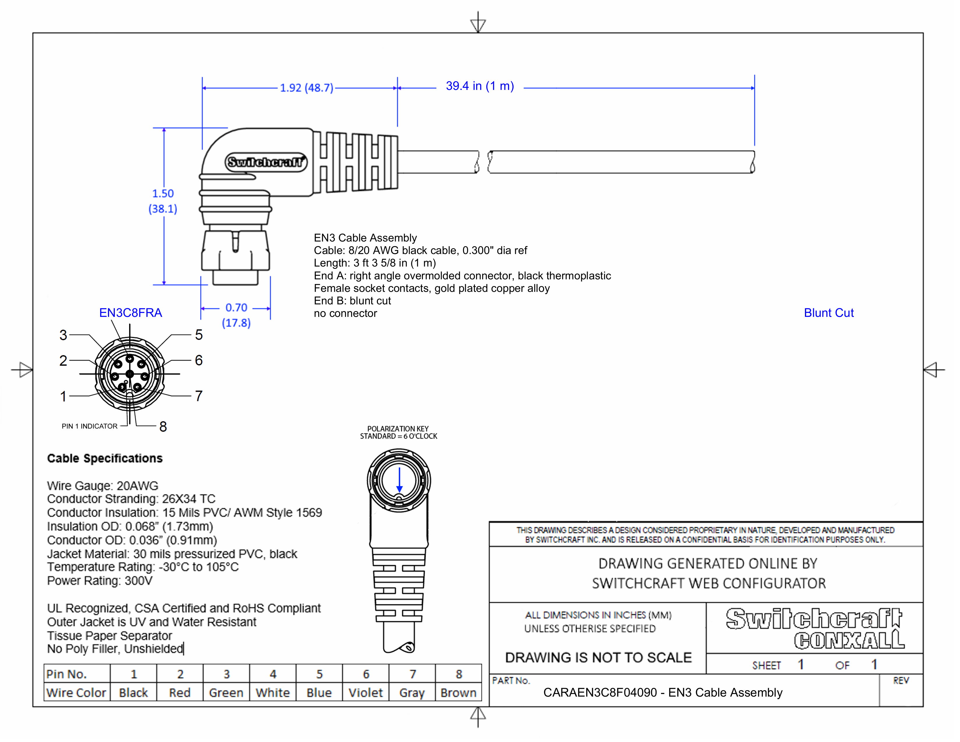
CARAEN3C8F04090

EN3 Cable Assembly, 8 Position Right Angle, Female to Blunt Cut, 1 Meter

CARAEN3C8F04090
Drawings:
 

Buy Now

View More From This Family