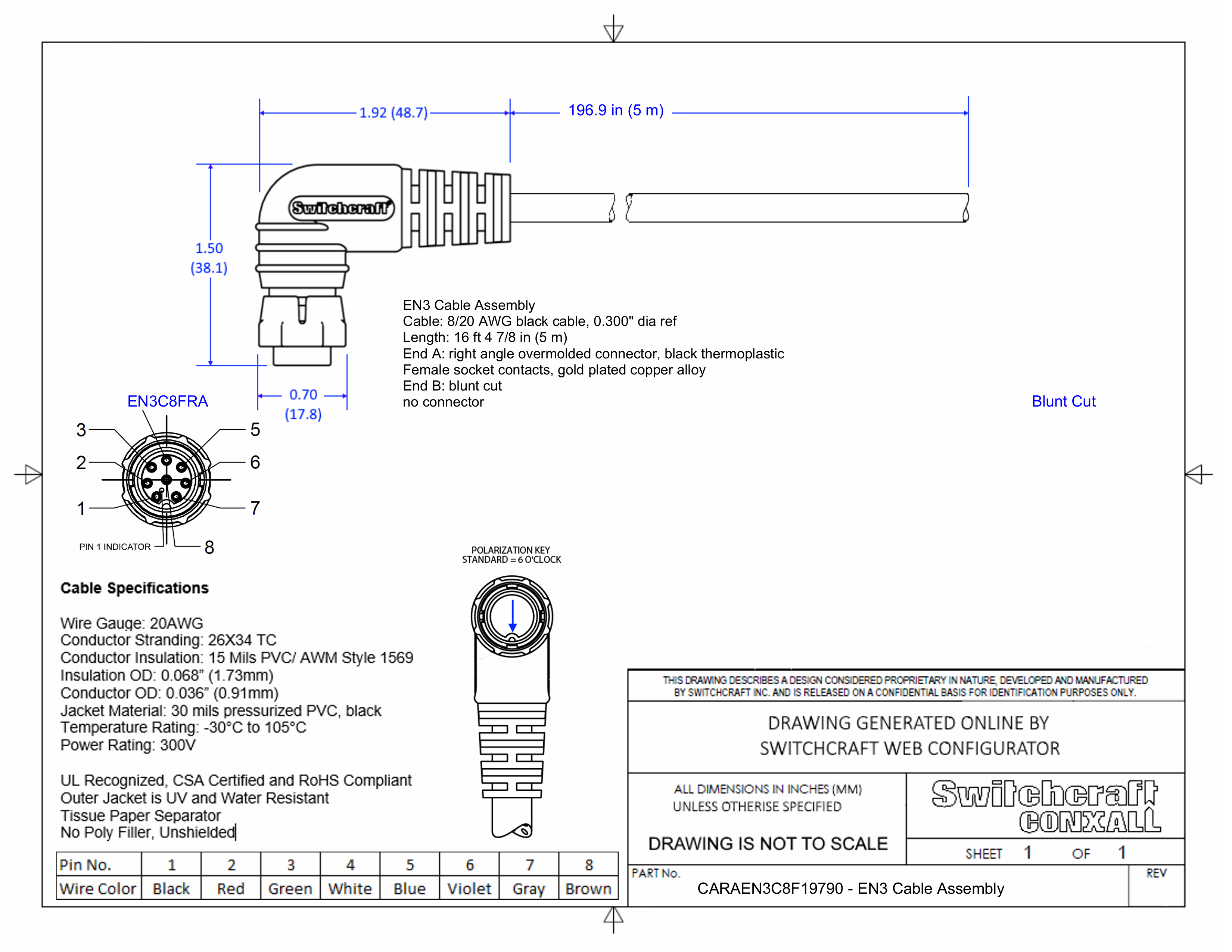
CARAEN3C8F19790

EN3 Cable Assembly, 8 Position Right Angle, Female to Blunt Cut, 5 Meter

CARAEN3C8F19790
Drawings:
 

Buy Now

View More From This Family