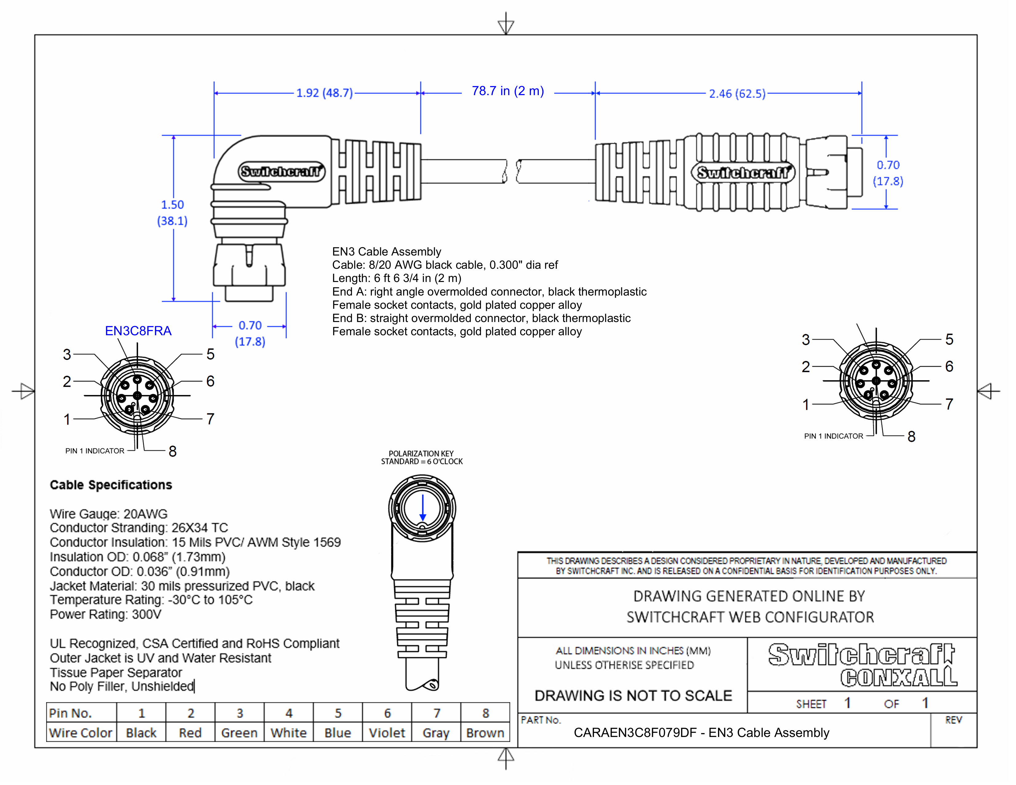
CARAEN3C8F079DF

EN3 Cable Assembly, 8 Position Right Angle, Female to Female, 2 Meter

CARAEN3C8F079DF
Drawings:
 

Buy Now

View More From This Family