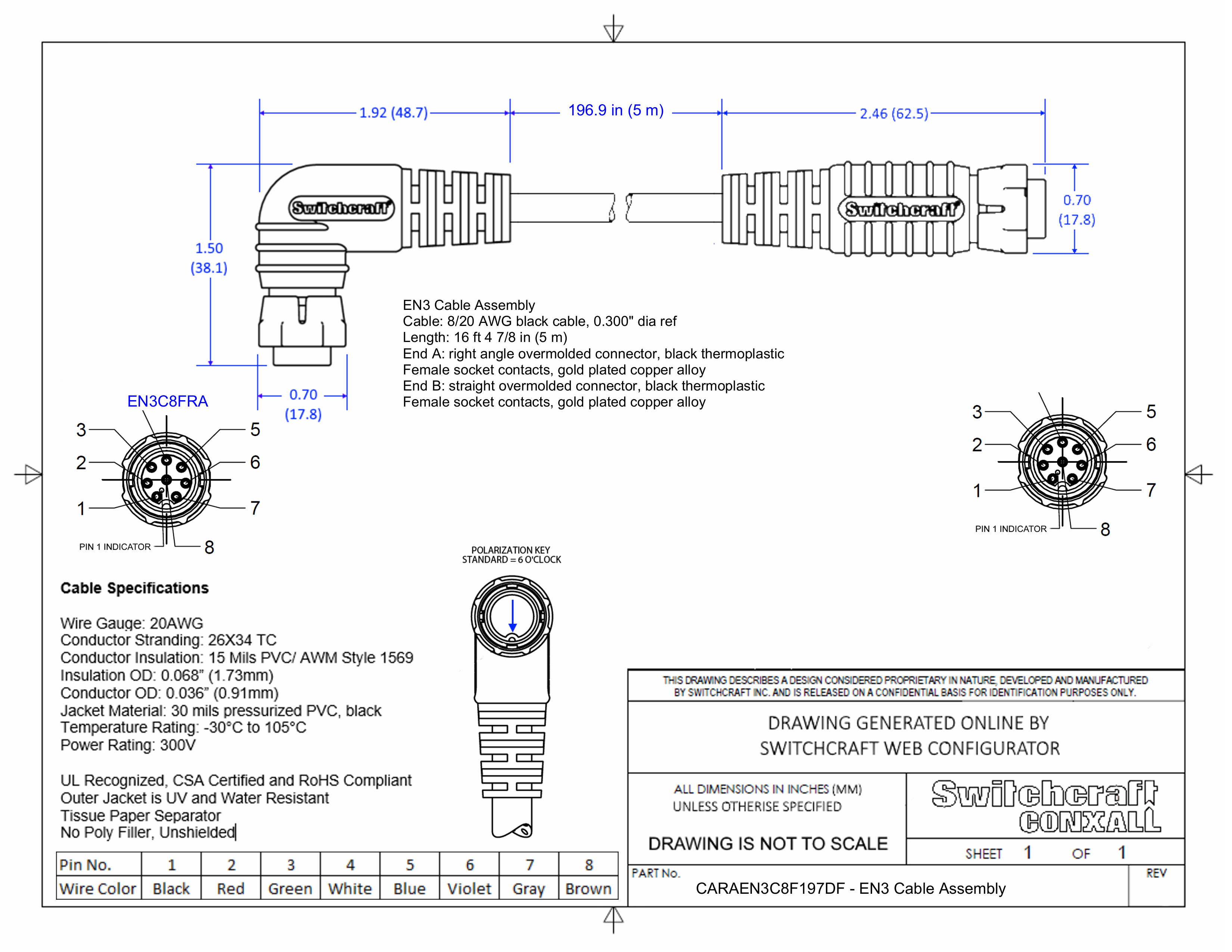
CARAEN3C8F197DF

EN3 Cable Assembly, 8 Position Right Angle, Female to Female, 5 Meter

CARAEN3C8F197DF
Drawings:
 

Buy Now

View More From This Family