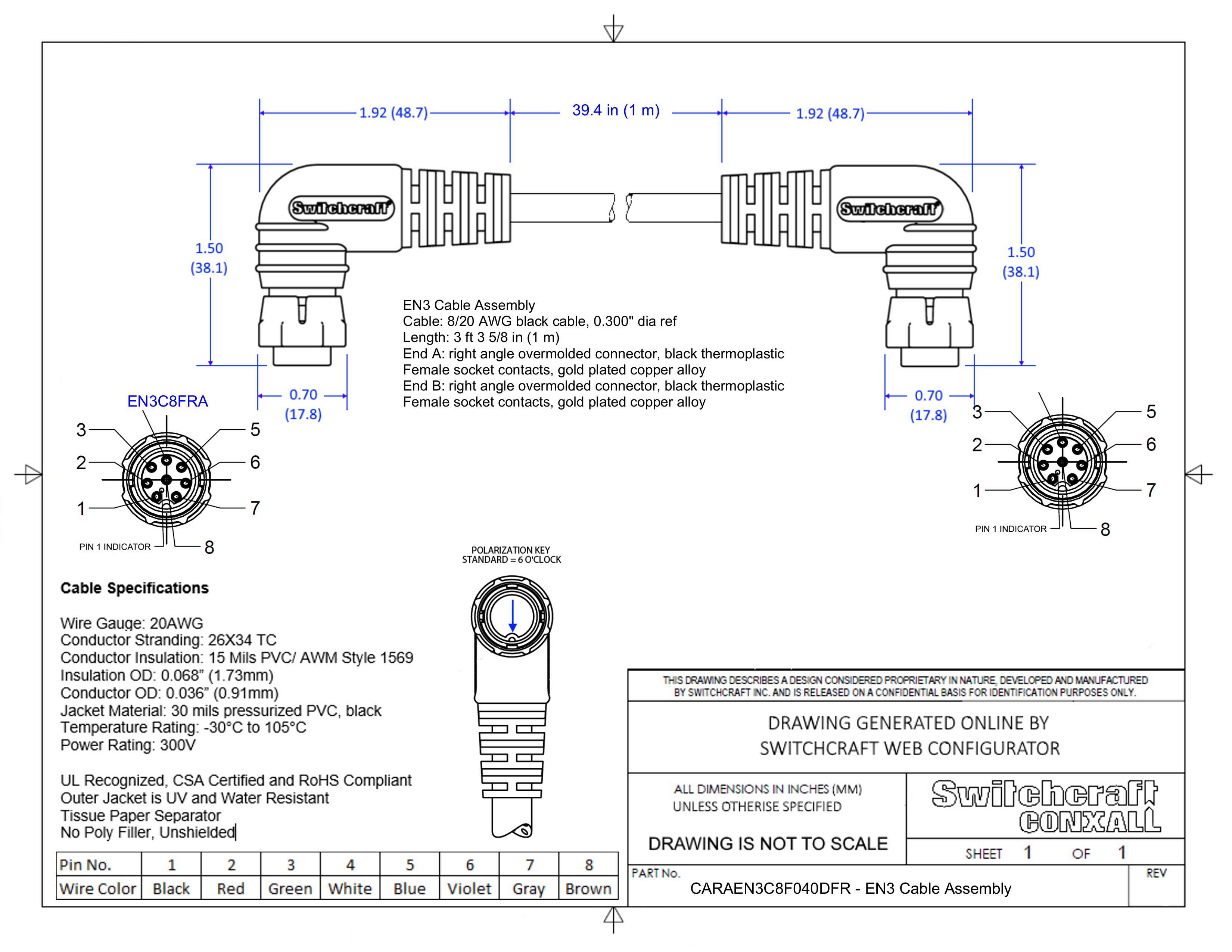
CARAEN3C8F040DFR

EN3 Cable Assembly, 8 Position Right Angle, Female to Right Angle Female, 1 Meter

CARAEN3C8F040DFR
Out of stock
Drawings:
 

Buy Now

View More From This Family