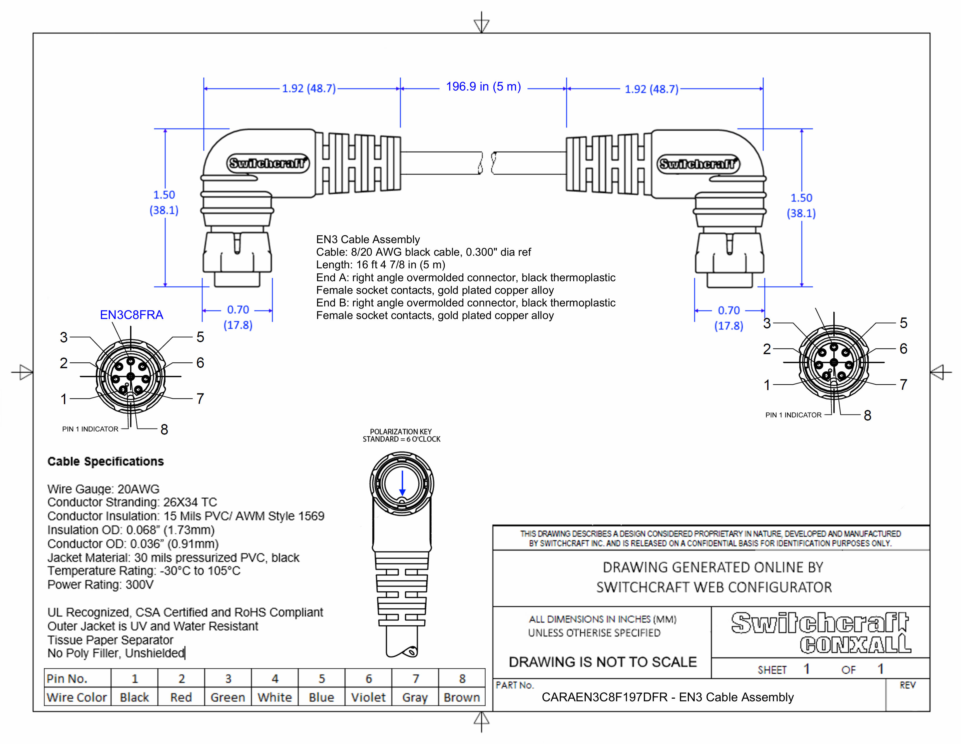
CARAEN3C8F197DFR

EN3 Cable Assembly, 8 Position Right Angle, Female to Right Angle Female, 5 Meter

CARAEN3C8F197DFR
Drawings:
 

Buy Now

View More From This Family