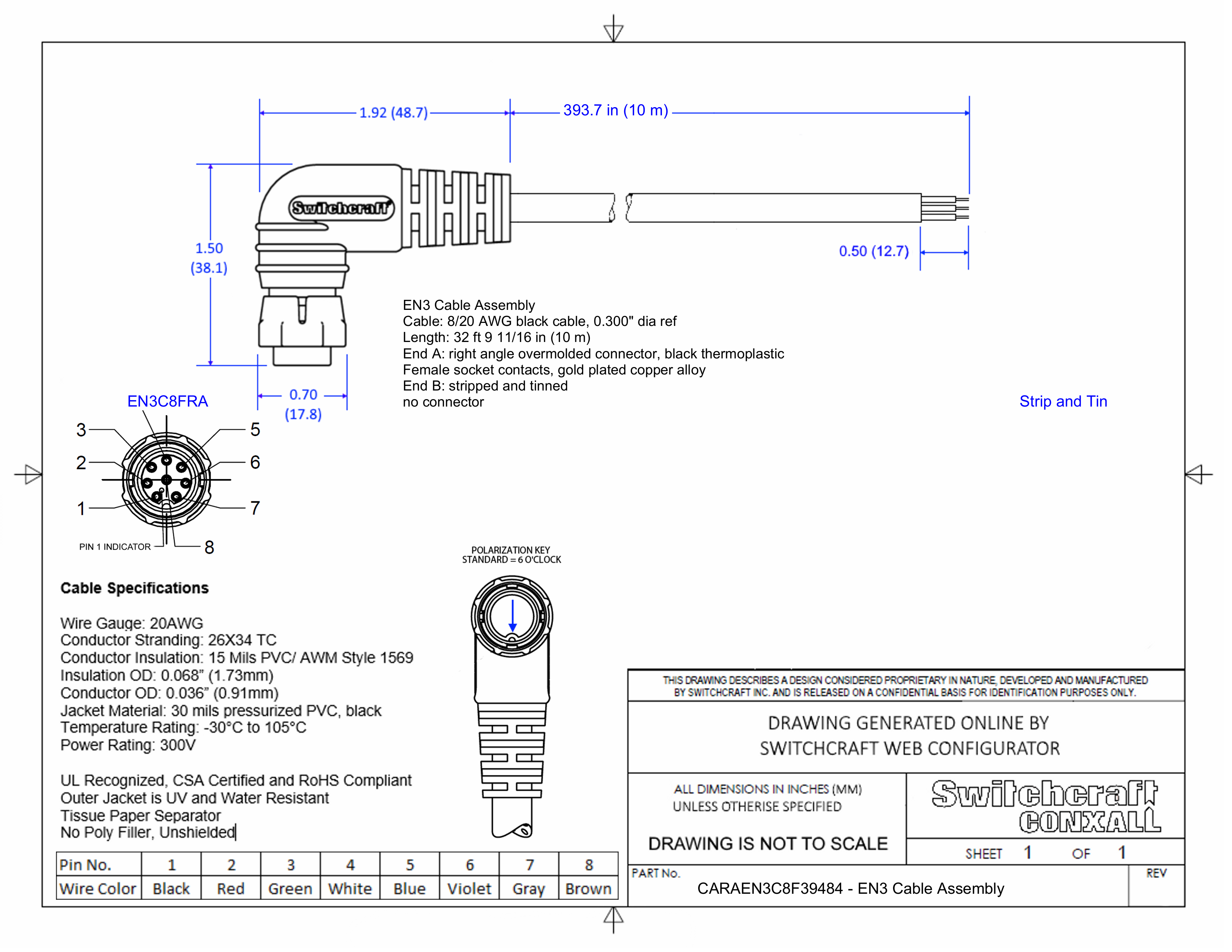
CARAEN3C8F39484

EN3 Cable Assembly, 8 Position Right Angle, Female to Strip and Tin, 10 Meter

CARAEN3C8F39484
Out of stock
Drawings:
 

Buy Now

View More From This Family