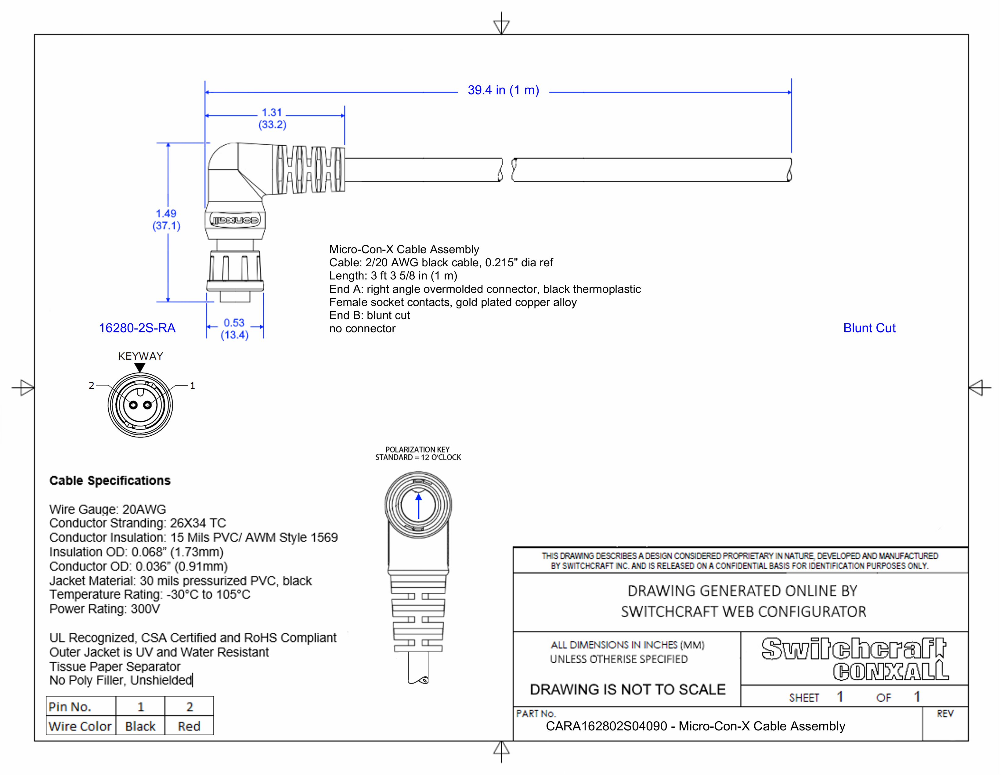
CARA162802S04090

Micro-Con-X Cable Assembly, 2 Position Right Angle, Female to Blunt Cut, 1 Meter

CARA162802S04090
Drawings:
 

Buy Now

View More From This Family