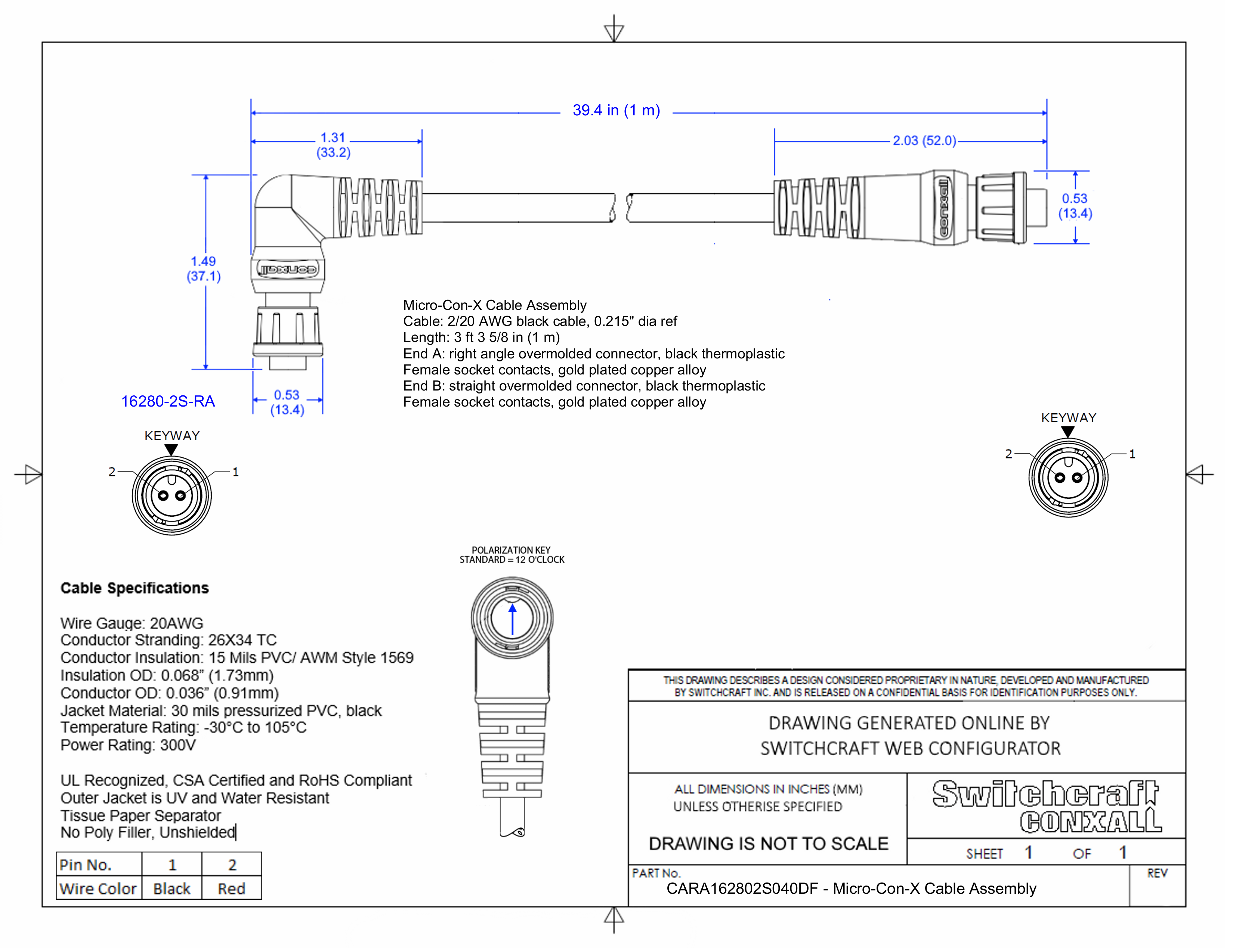
CARA162802S040DF

Micro-Con-X Cable Assembly, 2 Position Right Angle, Female to Female, 1 Meter

CARA162802S040DF
Drawings:
 

Buy Now

View More From This Family