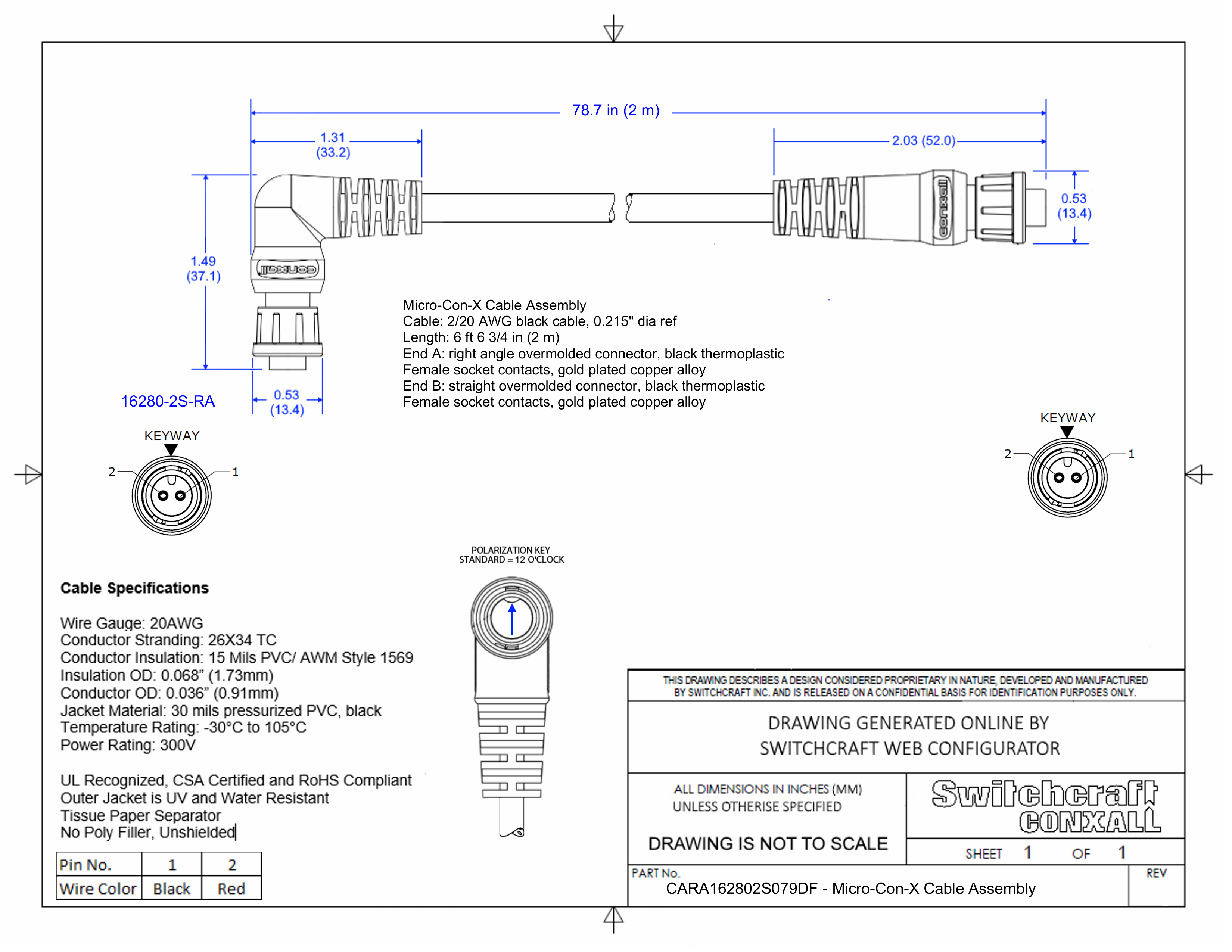
CARA162802S079DF

Micro-Con-X Cable Assembly, 2 Position Right Angle, Female to Female, 2 Meter

CARA162802S079DF
Drawings:
 

Buy Now

View More From This Family