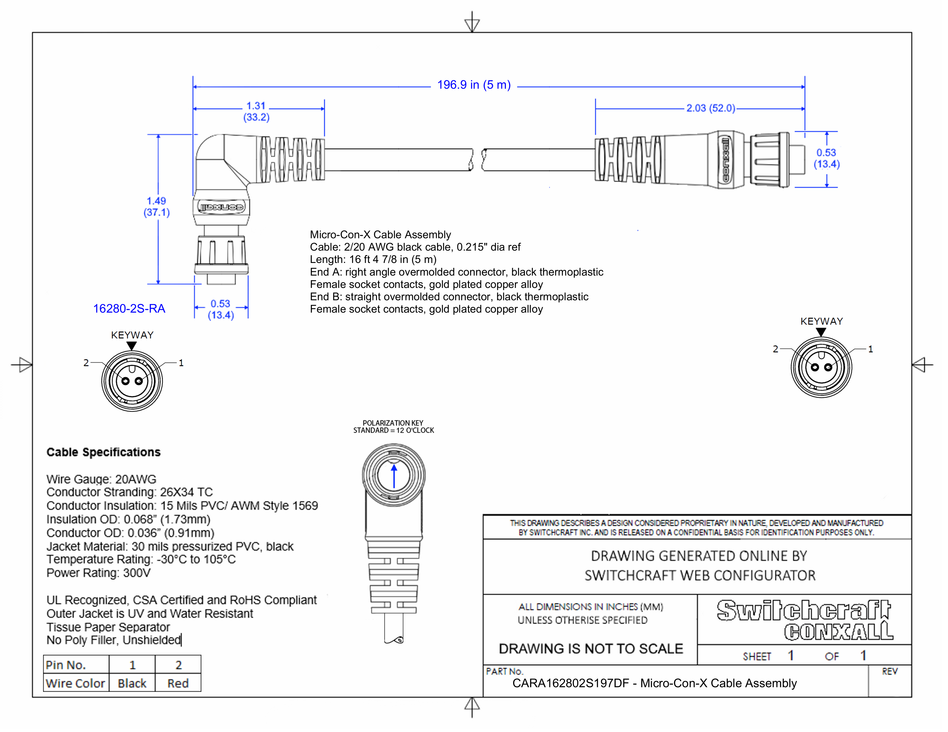
CARA162802S197DF

Micro-Con-X Cable Assembly, 2 Position Right Angle, Female to Female, 5 Meter

CARA162802S197DF
Out of stock
Drawings:
 

Buy Now

View More From This Family