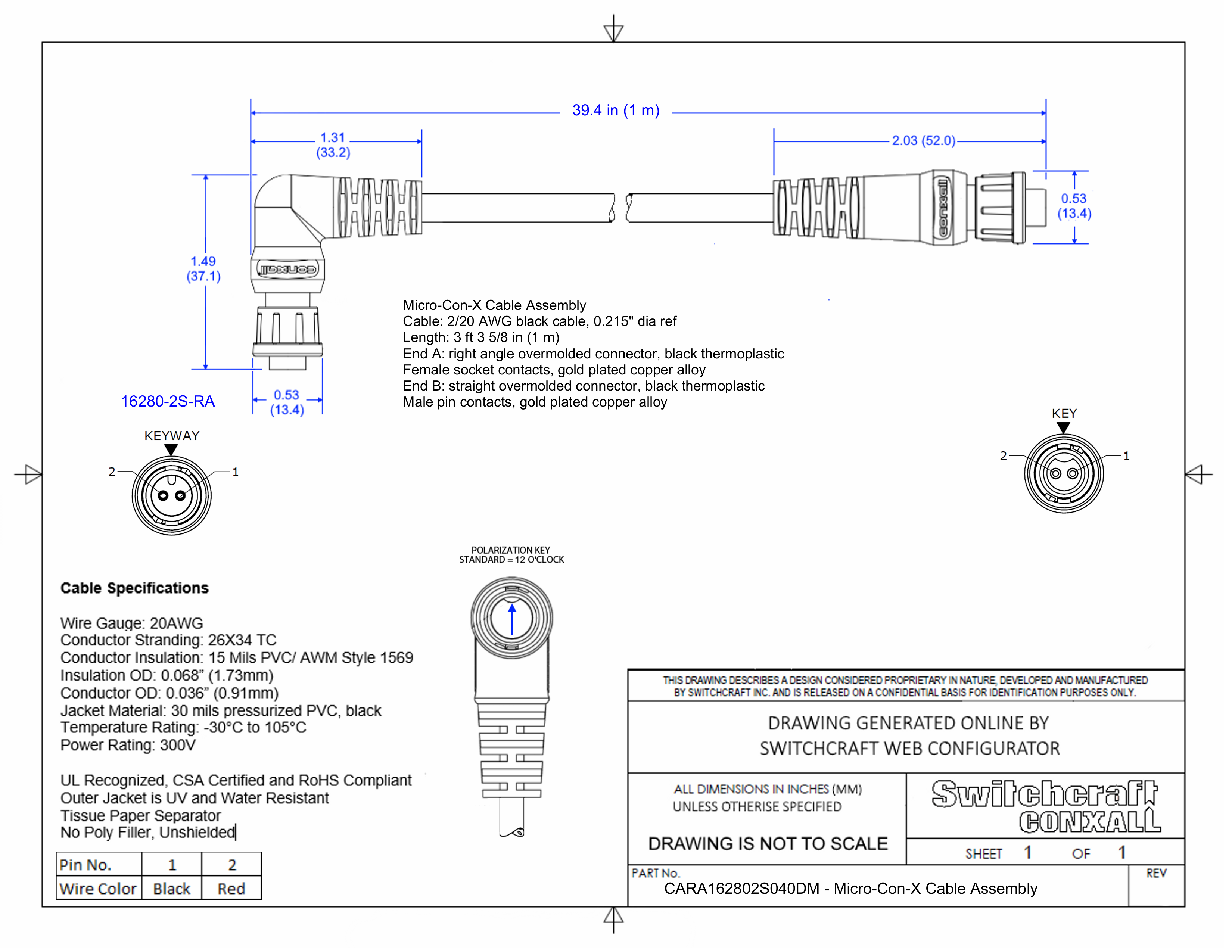
CARA162802S040DM

Micro-Con-X Cable Assembly, 2 Position Right Angle, Female to Male, 1 Meter

CARA162802S040DM
Out of stock
Drawings:
 

Buy Now

View More From This Family