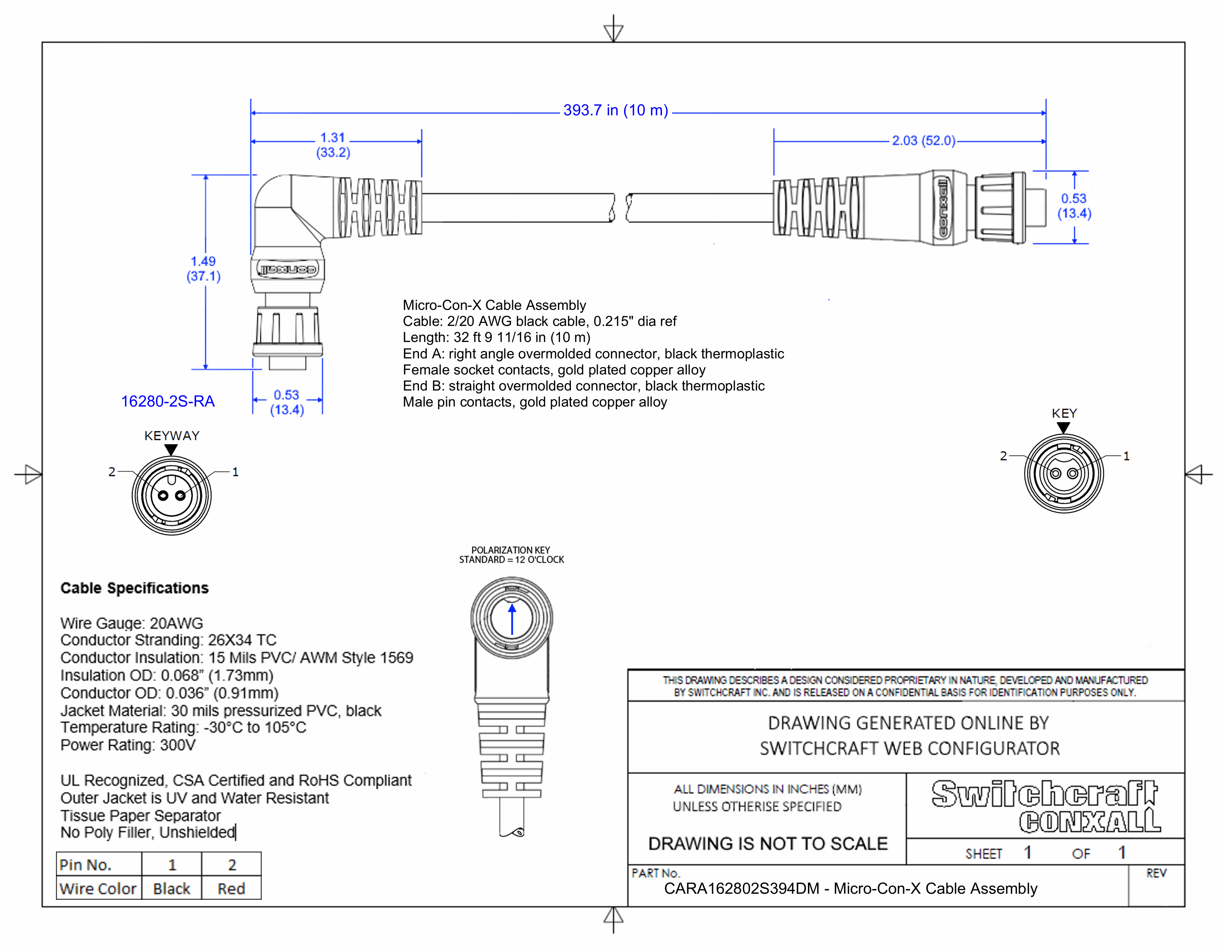
CARA162802S394DM

Micro-Con-X Cable Assembly, 2 Position Right Angle, Female to Male, 10 Meter

CARA162802S394DM
Drawings:
 

Buy Now

View More From This Family