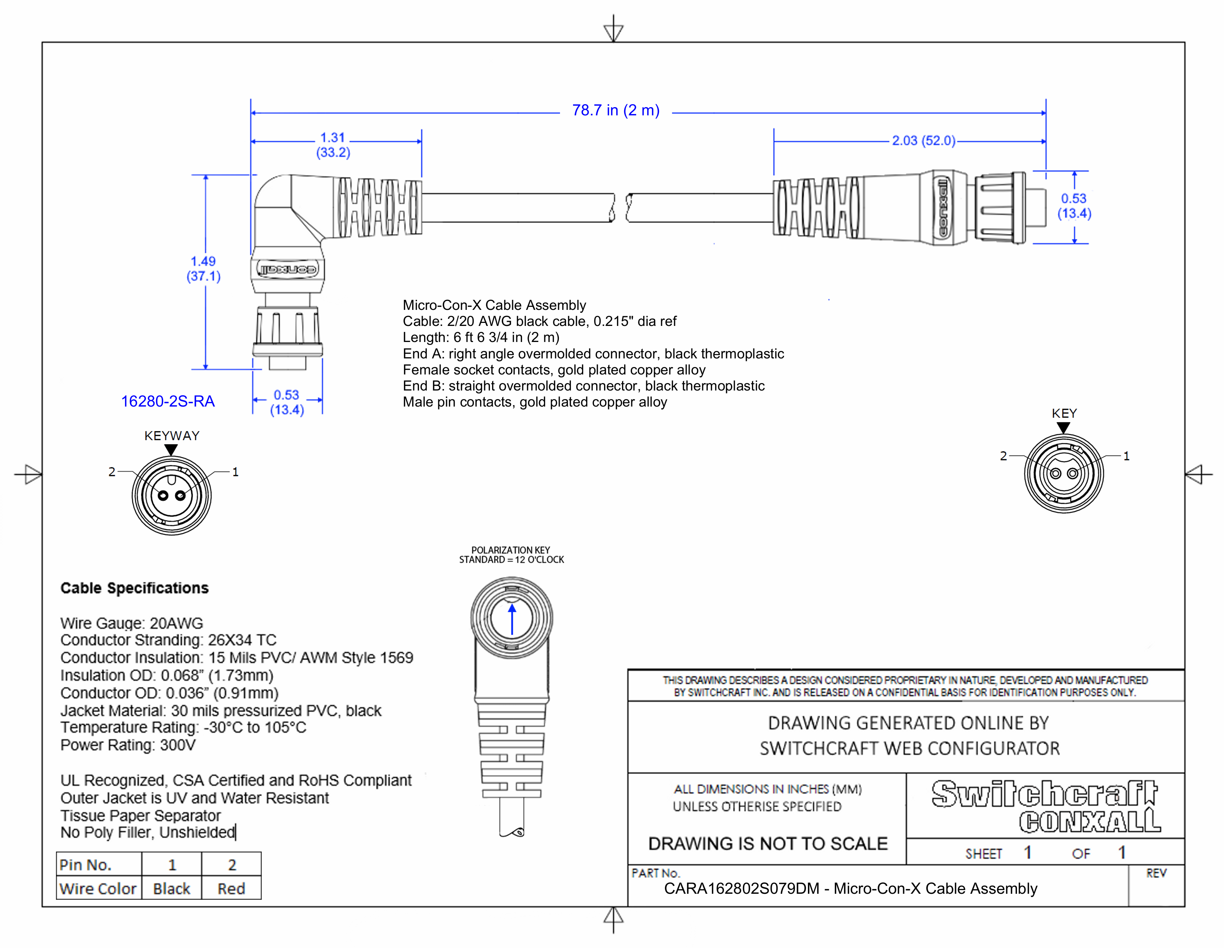
CARA162802S079DM

Micro-Con-X Cable Assembly, 2 Position Right Angle, Female to Male, 2 Meter

CARA162802S079DM
Drawings:
 

Buy Now

View More From This Family