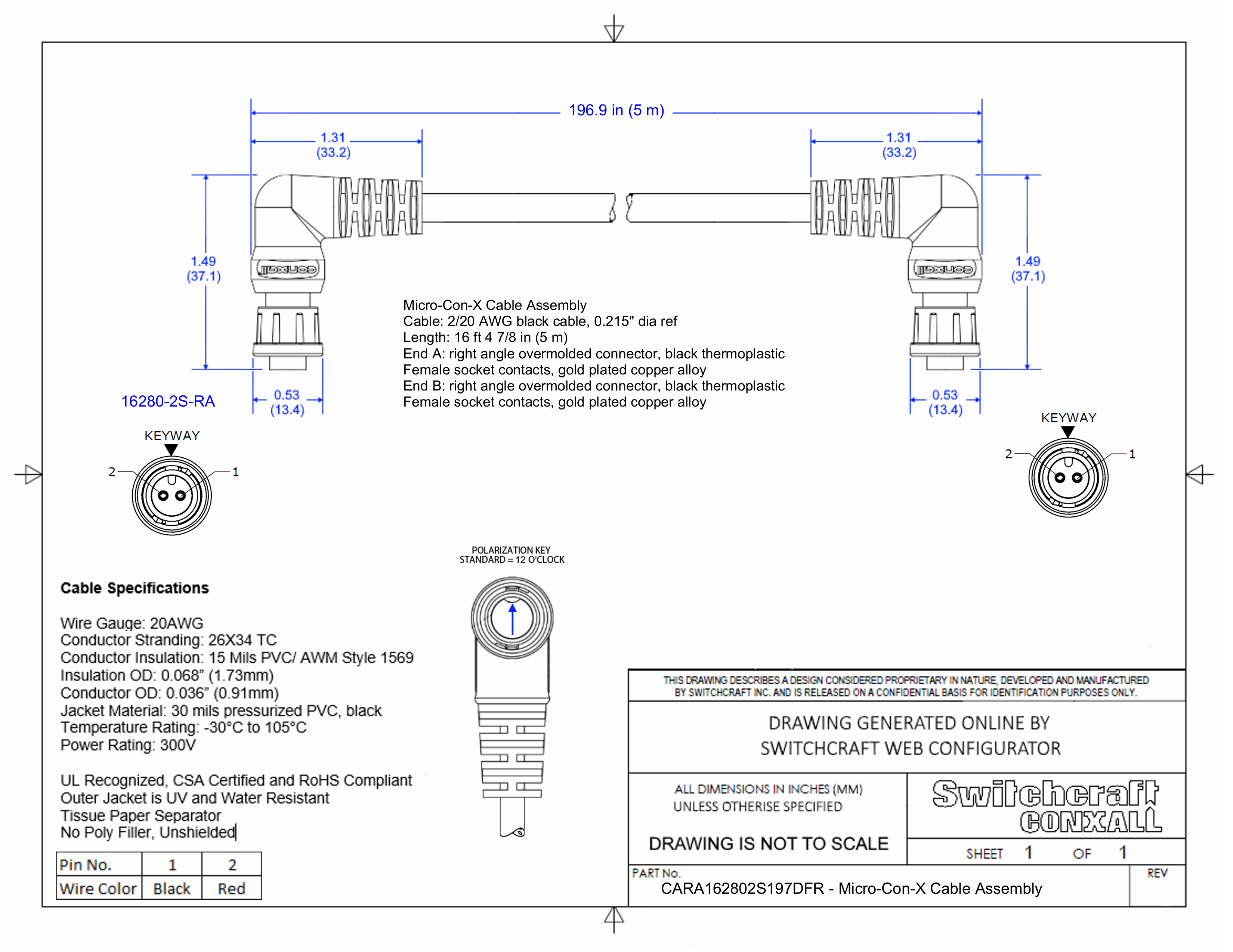
CARA162802S197DFR

Micro-Con-X Cable Assembly, 2 Position Right Angle, Female to Right Angle Female, 5 Meter

CARA162802S197DFR
Out of stock
Drawings:
 

Buy Now

View More From This Family