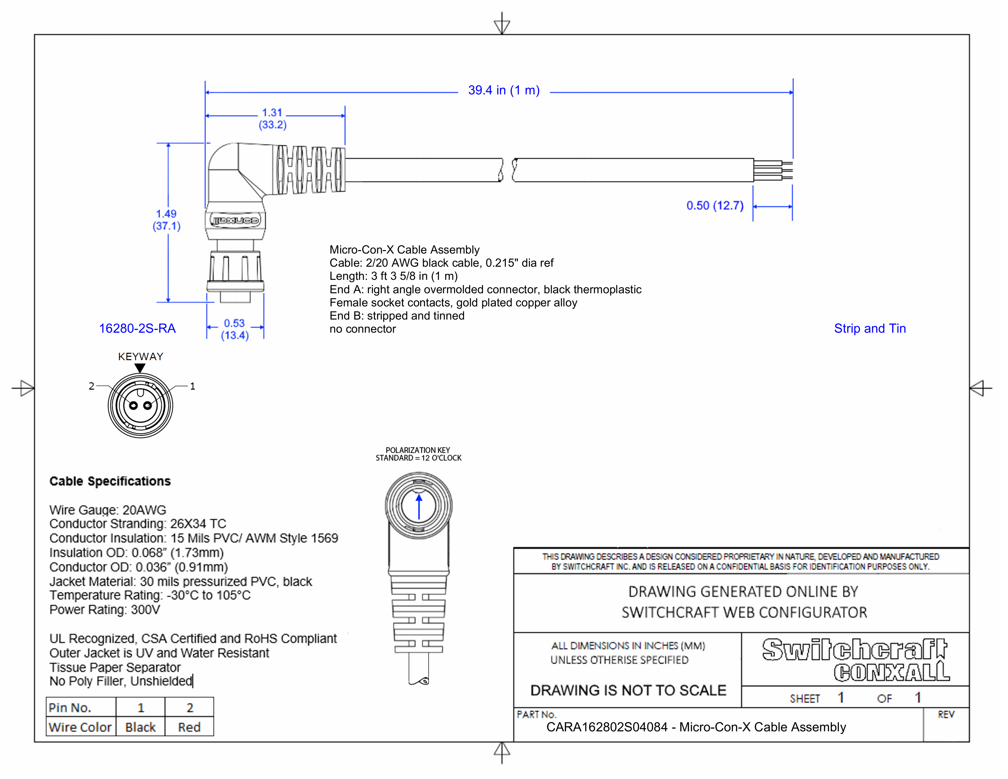
CARA162802S04084

Micro-Con-X Cable Assembly, 2 Position Right Angle, Female to Strip and Tin, 1 Meter

CARA162802S04084
Drawings:
 

Buy Now

View More From This Family