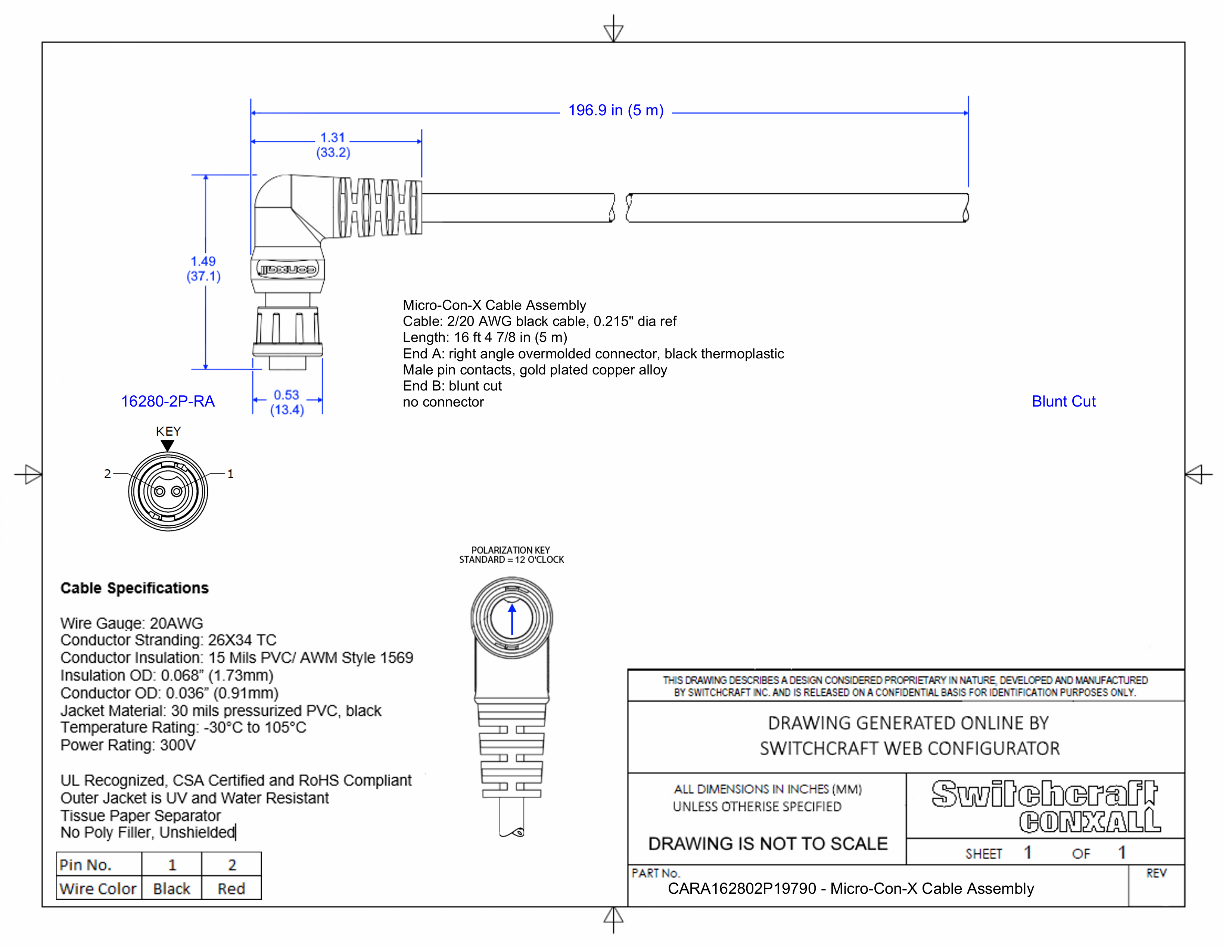
CARA162802P19790

Micro-Con-X Cable Assembly, 2 Position Right Angle, Male to Blunt Cut, 5 Meter

CARA162802P19790
Drawings:
 

Buy Now

View More From This Family