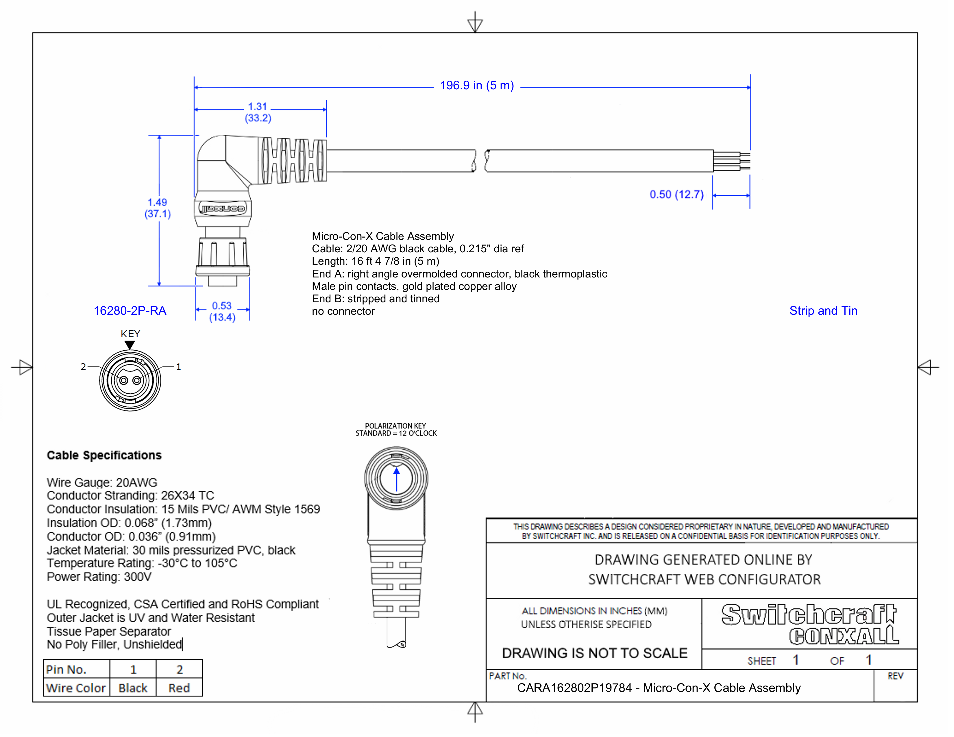
CARA162802P19784

Micro-Con-X Cable Assembly, 2 Position Right Angle, Male to Strip and Tin, 5 Meter

CARA162802P19784
Drawings:
 

Buy Now

View More From This Family