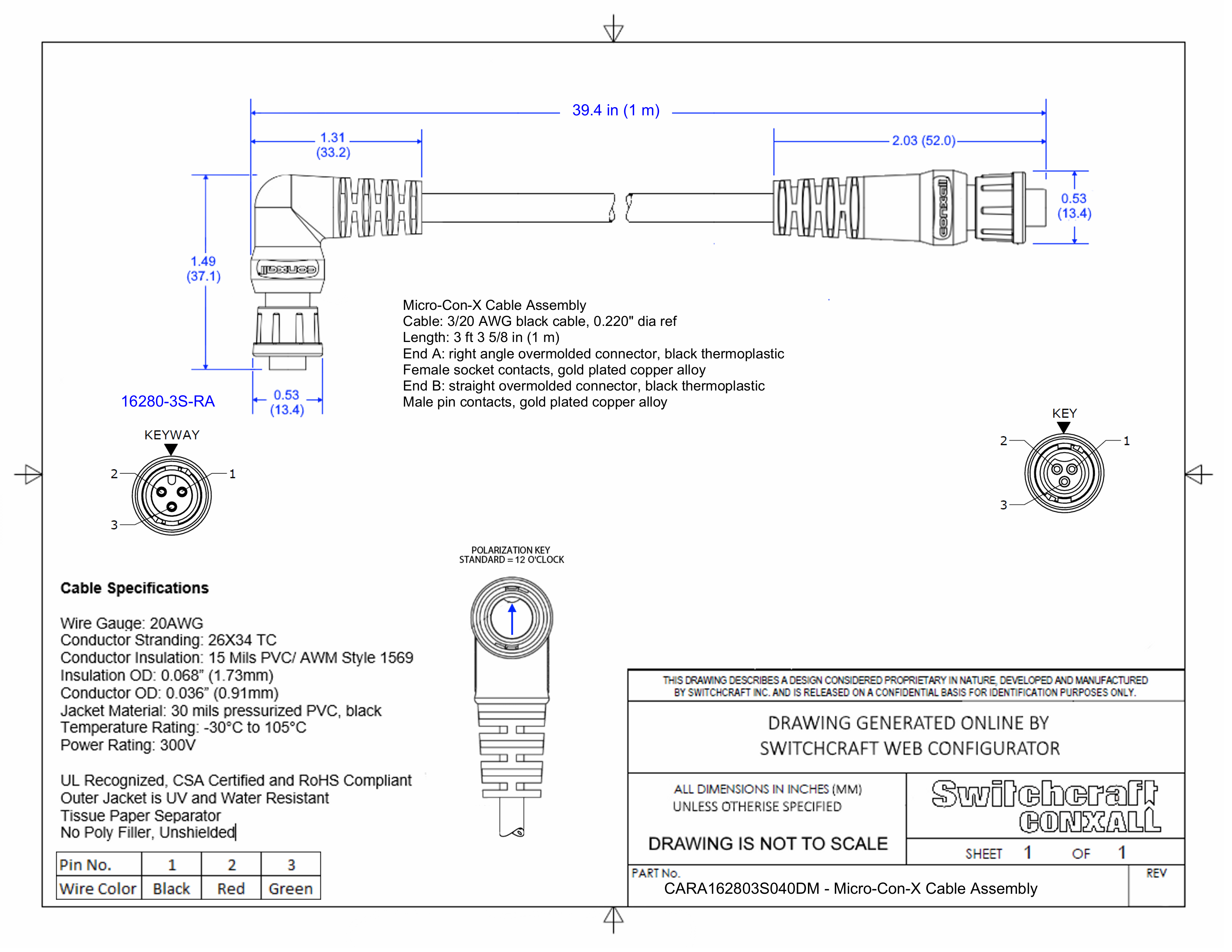
CARA162803S040DM

Micro-Con-X Cable Assembly, 3 Position Right Angle, Famale to Male, 1 Meter

CARA162803S040DM
Out of stock
Drawings:
 

Buy Now

View More From This Family