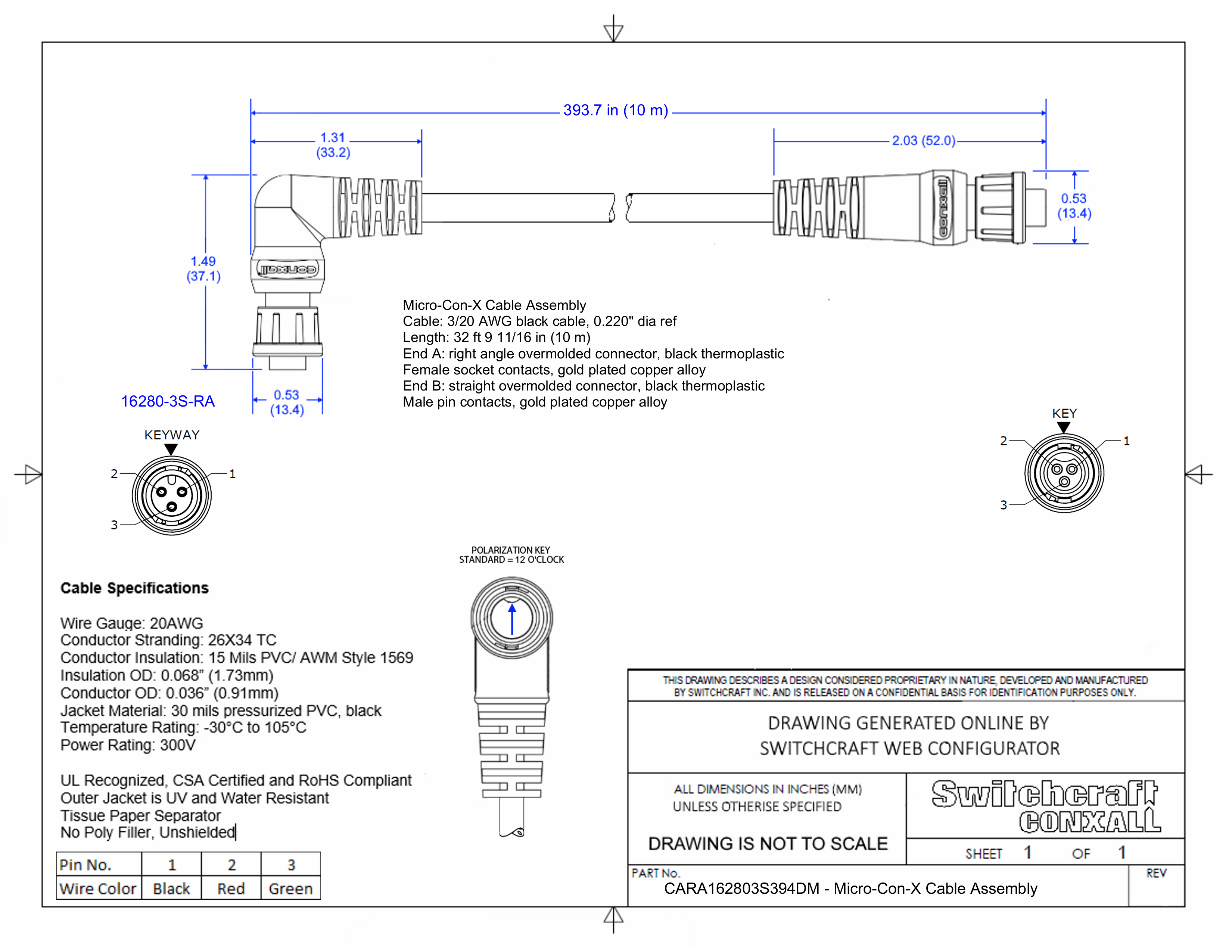
CARA162803S394DM

Micro-Con-X Cable Assembly, 3 Position Right Angle, Famale to Male, 10 Meter

CARA162803S394DM
Drawings:
 

Buy Now

View More From This Family