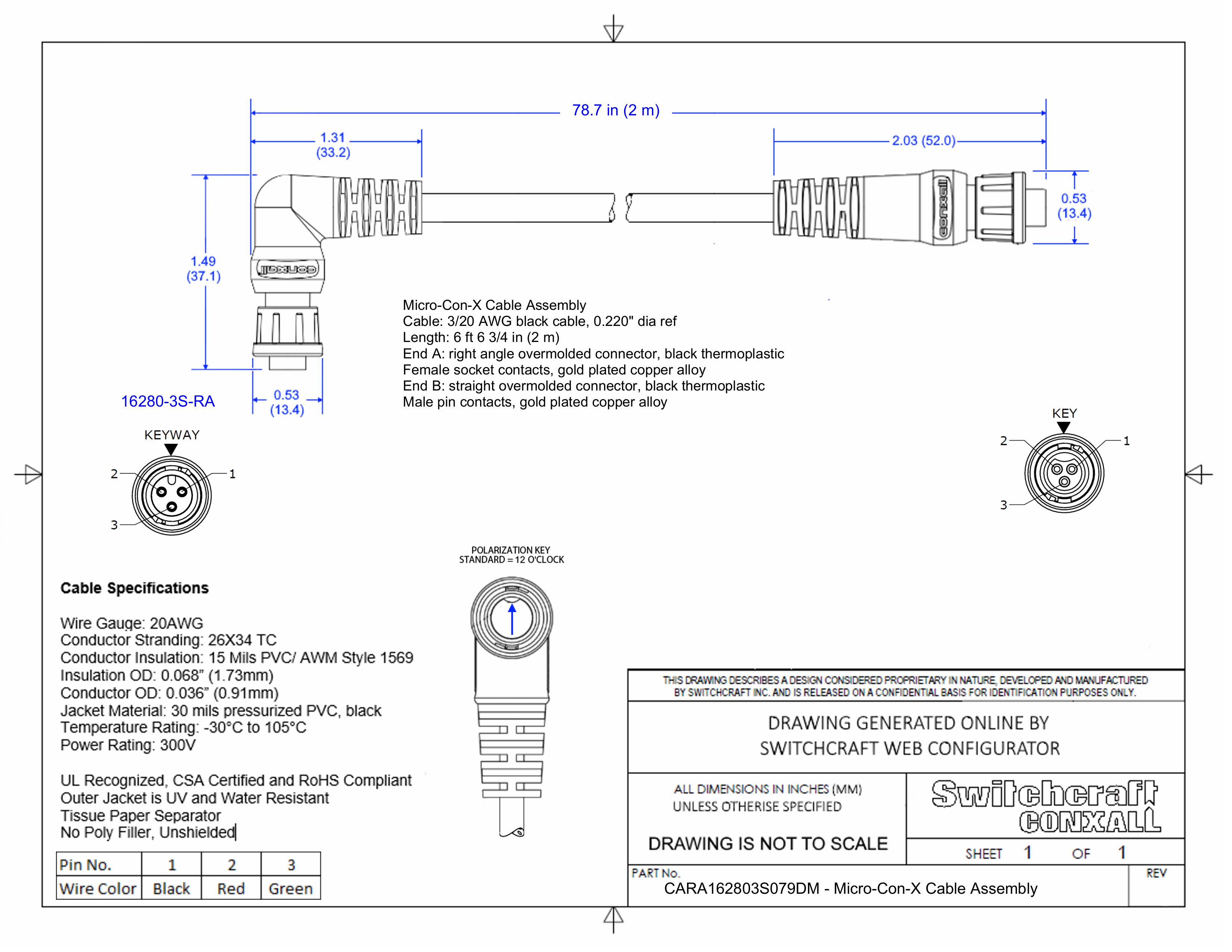
CARA162803S079DM

Micro-Con-X Cable Assembly, 3 Position Right Angle, Famale to Male, 2 Meter

CARA162803S079DM
Drawings:
 

Buy Now

View More From This Family