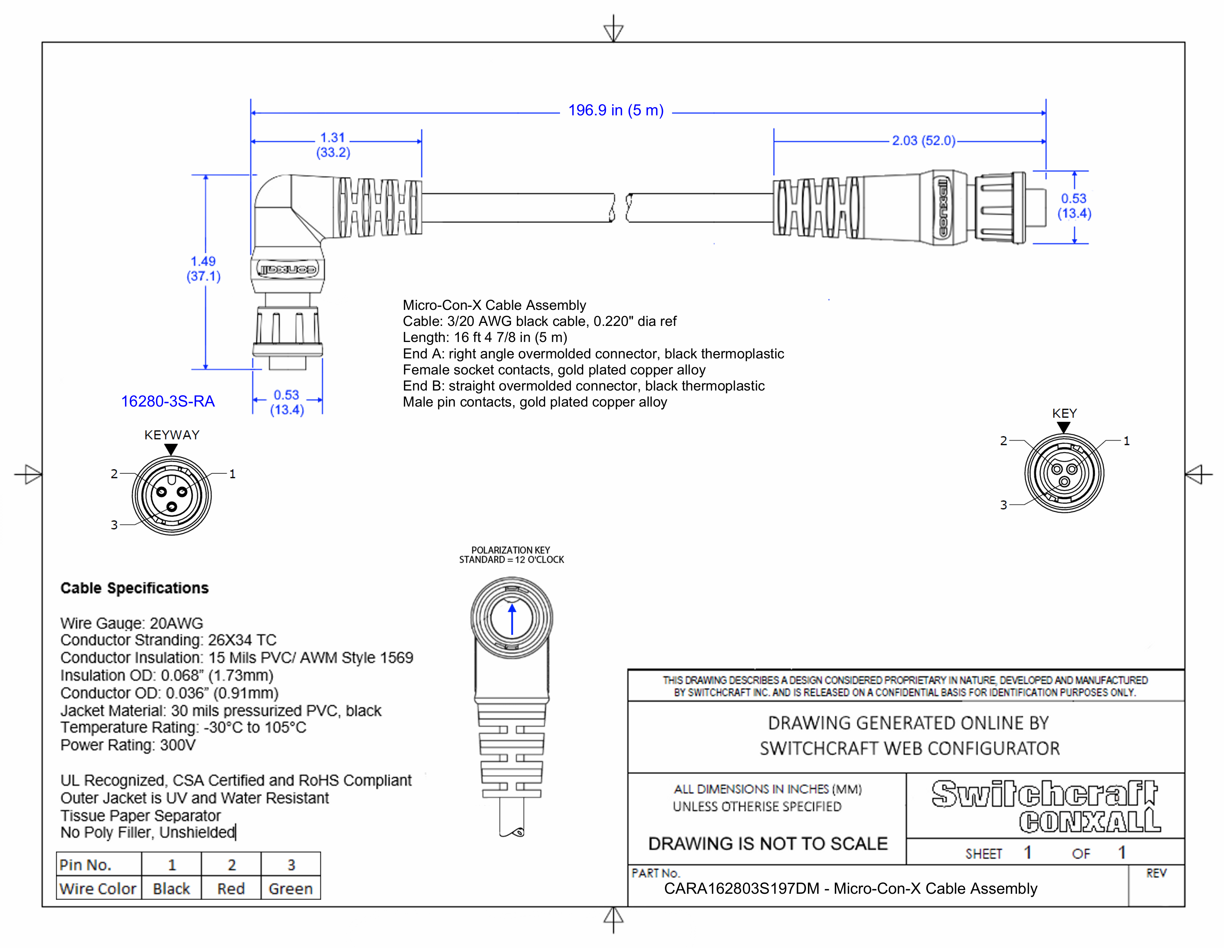
CARA162803S197DM

Micro-Con-X Cable Assembly, 3 Position Right Angle, Famale to Male, 5 Meter

CARA162803S197DM
Drawings:
 

Buy Now

View More From This Family