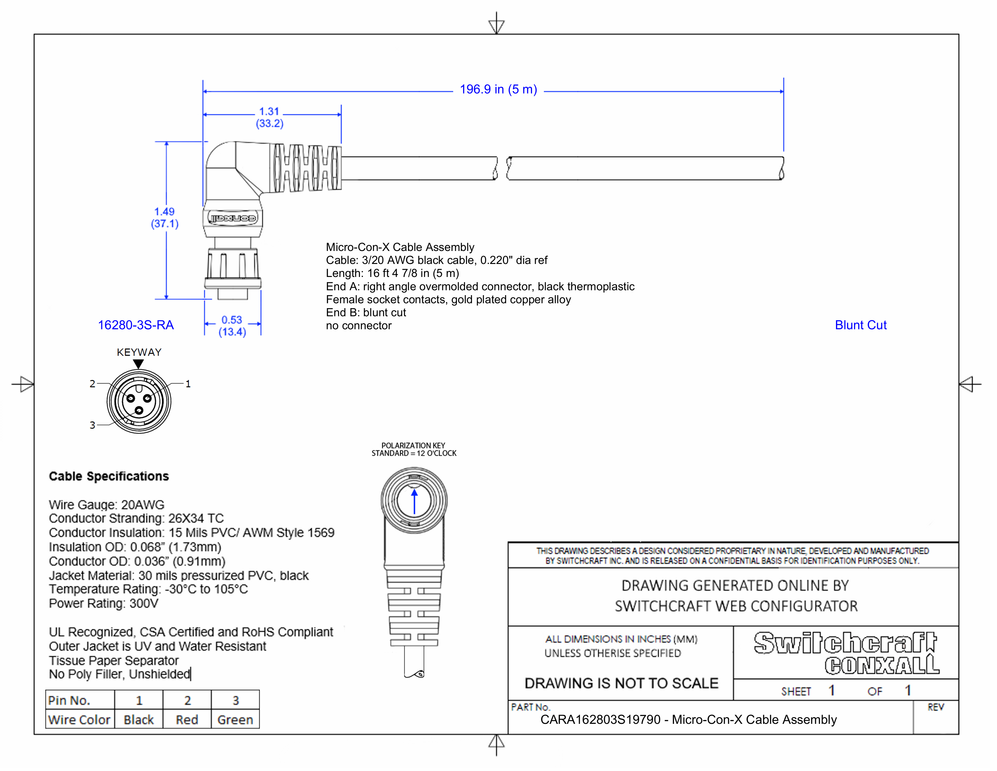
CARA162803S19790

Micro-Con-X Cable Assembly, 3 Position Right Angle, Female to Blunt Cut, 5 Meter

CARA162803S19790
Drawings:
 

Buy Now

View More From This Family