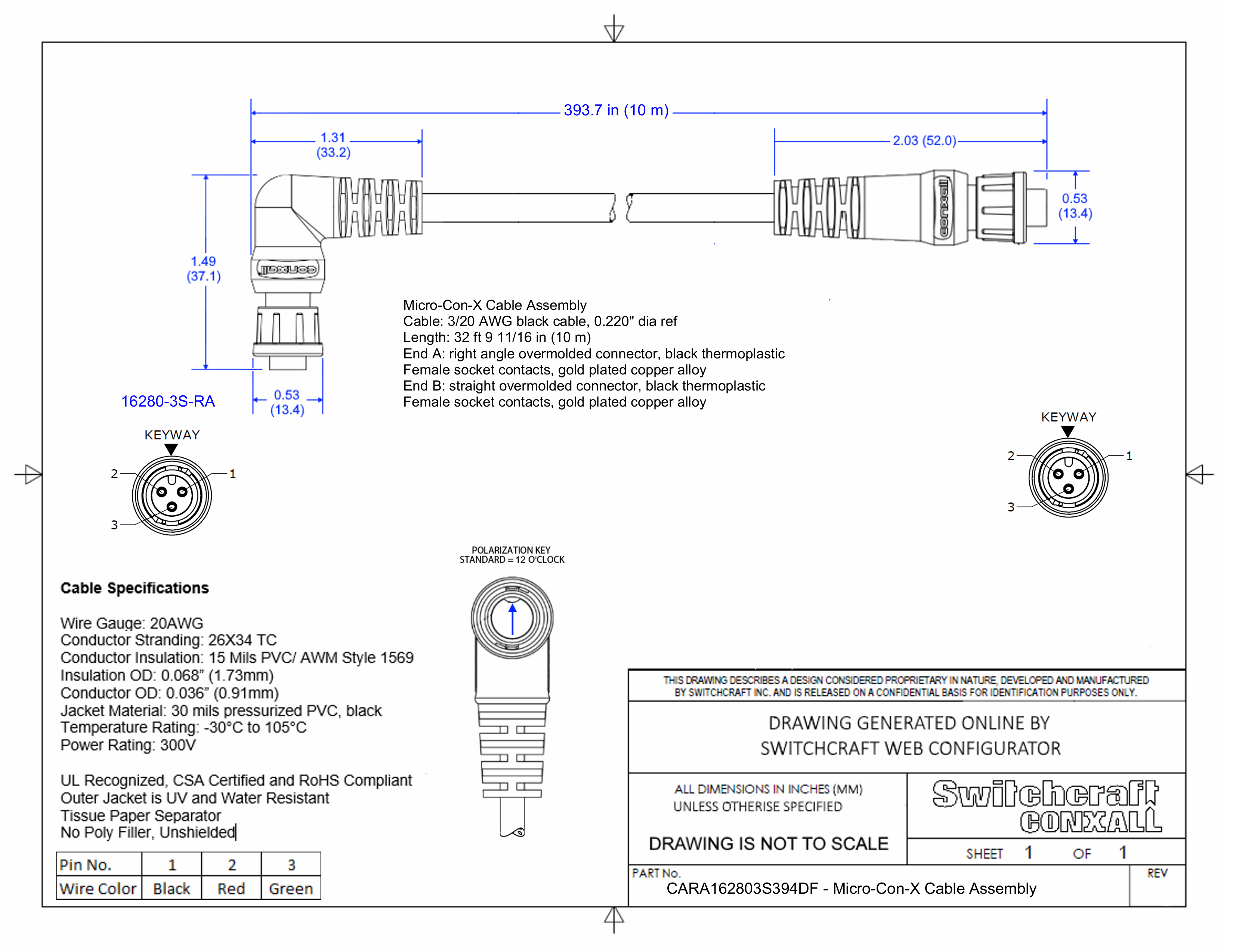
CARA162803S394DF

Micro-Con-X Cable Assembly, 3 Position Right Angle, Female to Female, 10 Meter

CARA162803S394DF
Drawings:
 

Buy Now

View More From This Family