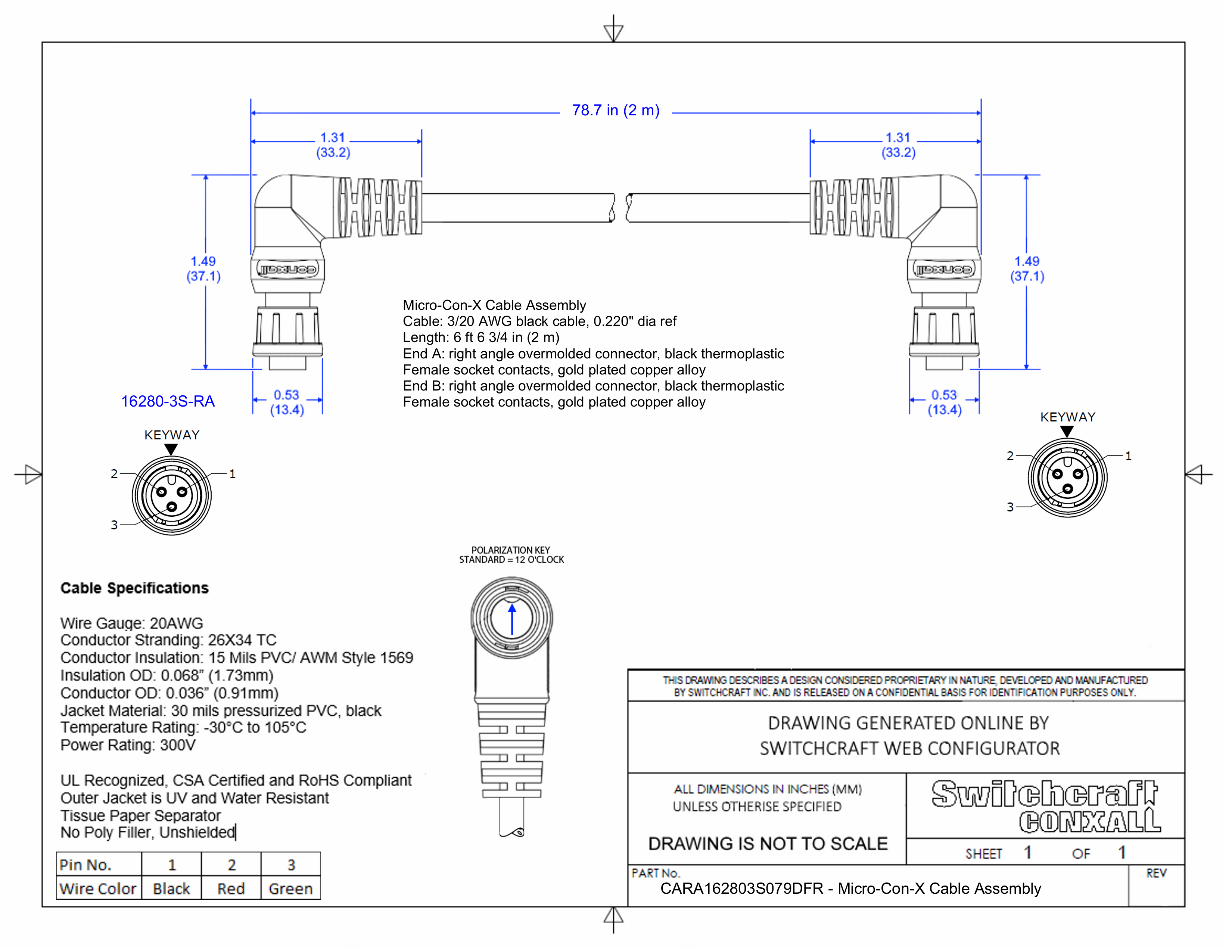
CARA162803S079DFR

Micro-Con-X Cable Assembly, 3 Position Right Angle, Female to Right Angle Female, 2 Meter

CARA162803S079DFR
Drawings:
 

Buy Now

View More From This Family