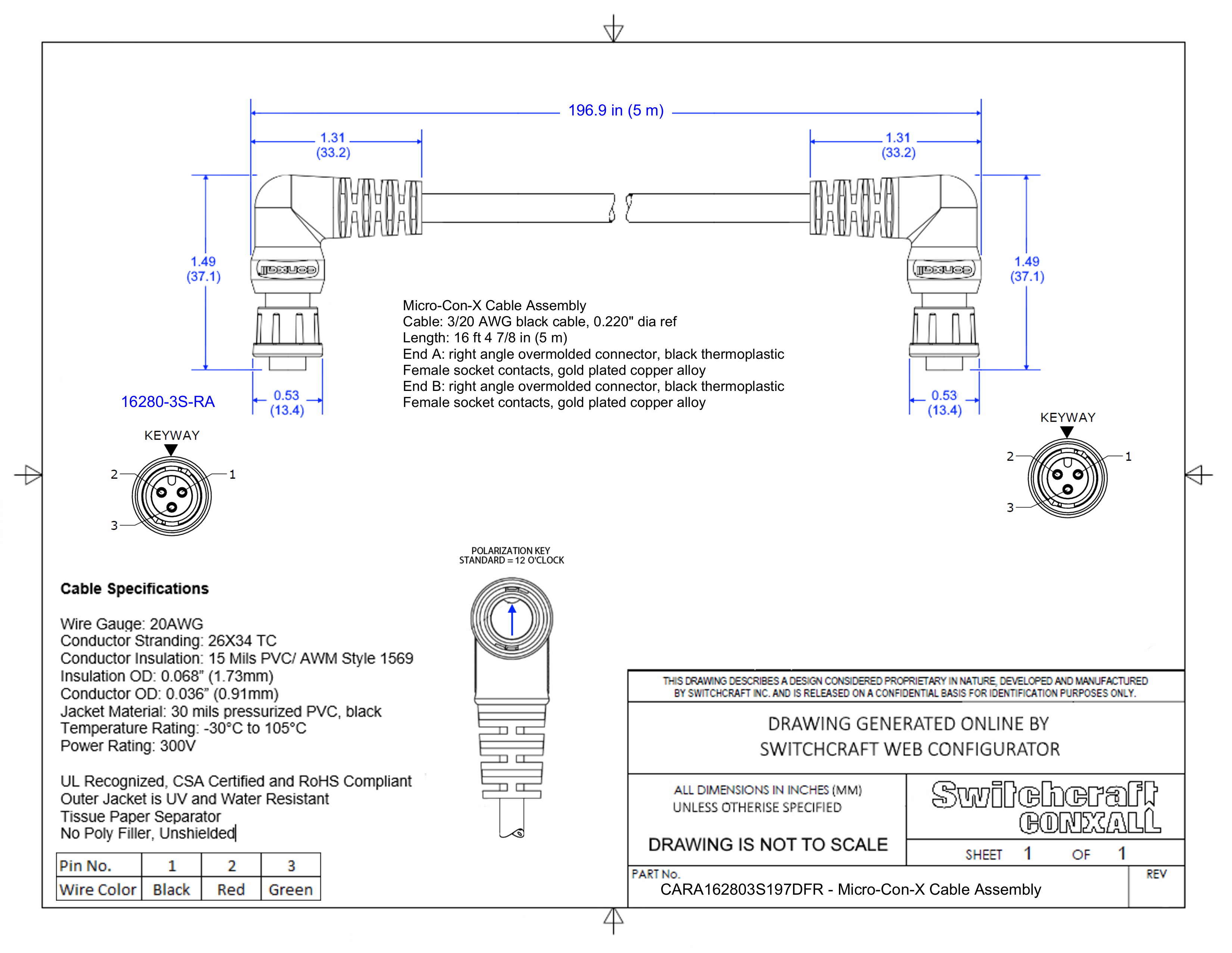
CARA162803S197DFR

Micro-Con-X Cable Assembly, 3 Position Right Angle, Female to Right Angle Female, 5 Meter

CARA162803S197DFR
Drawings:
 

Buy Now

View More From This Family