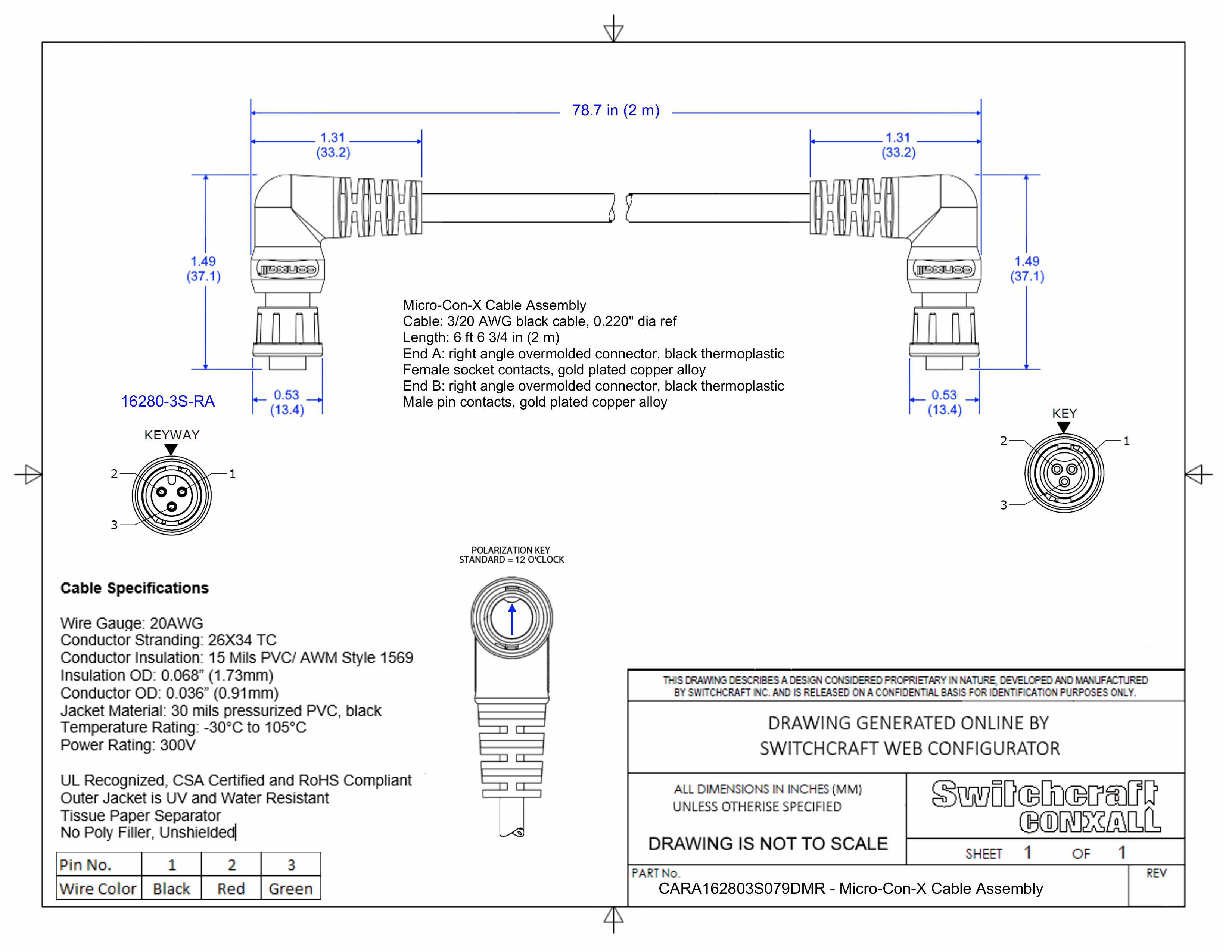
CARA162803S079DMR

Micro-Con-X Cable Assembly, 3 Position Right Angle, Female to Right Angle Male, 2 Meter

CARA162803S079DMR
Out of stock
Drawings:
 

Buy Now

View More From This Family