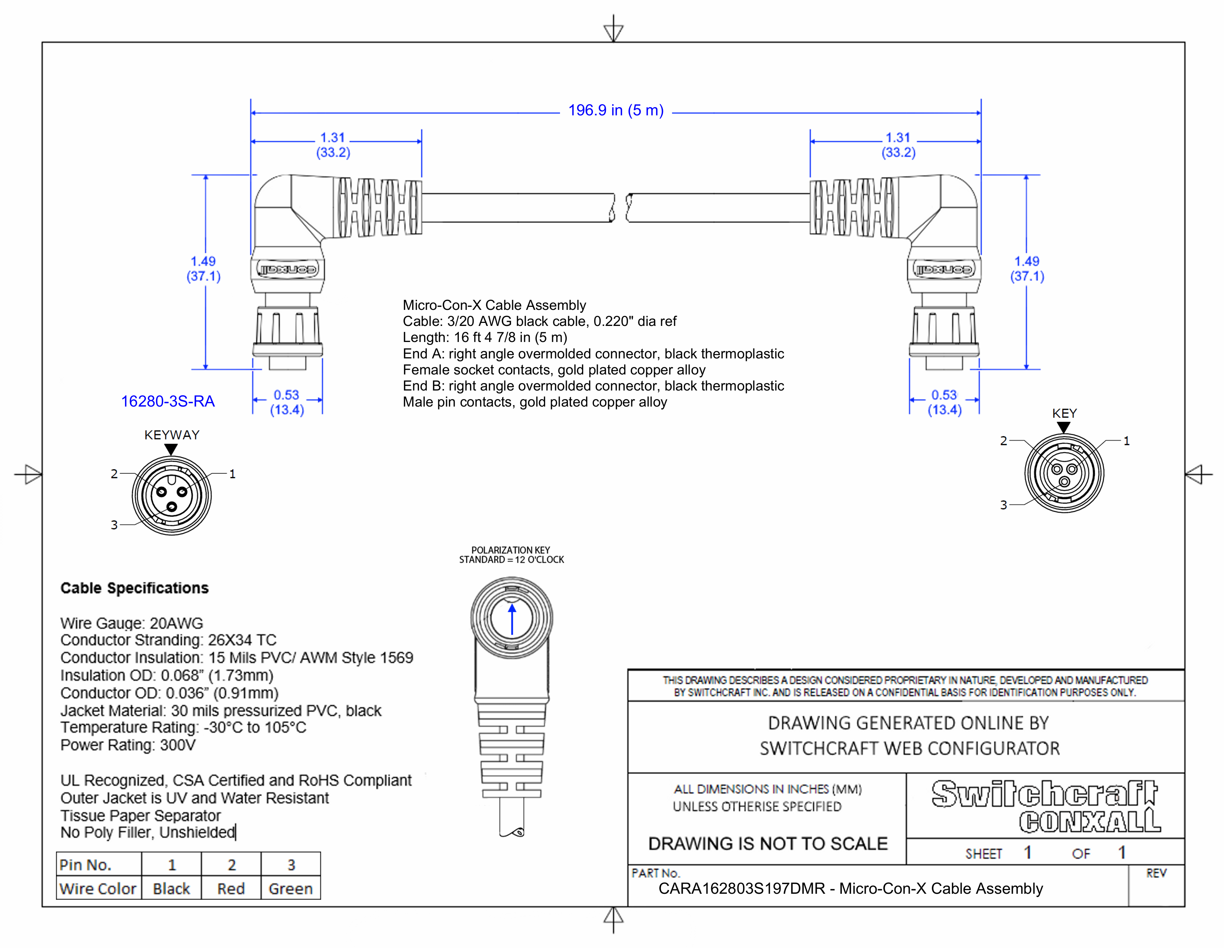
CARA162803S197DMR

Micro-Con-X Cable Assembly, 3 Position Right Angle, Female to Right Angle Male, 5 Meter

CARA162803S197DMR
Out of stock
Drawings:
 

Buy Now

View More From This Family