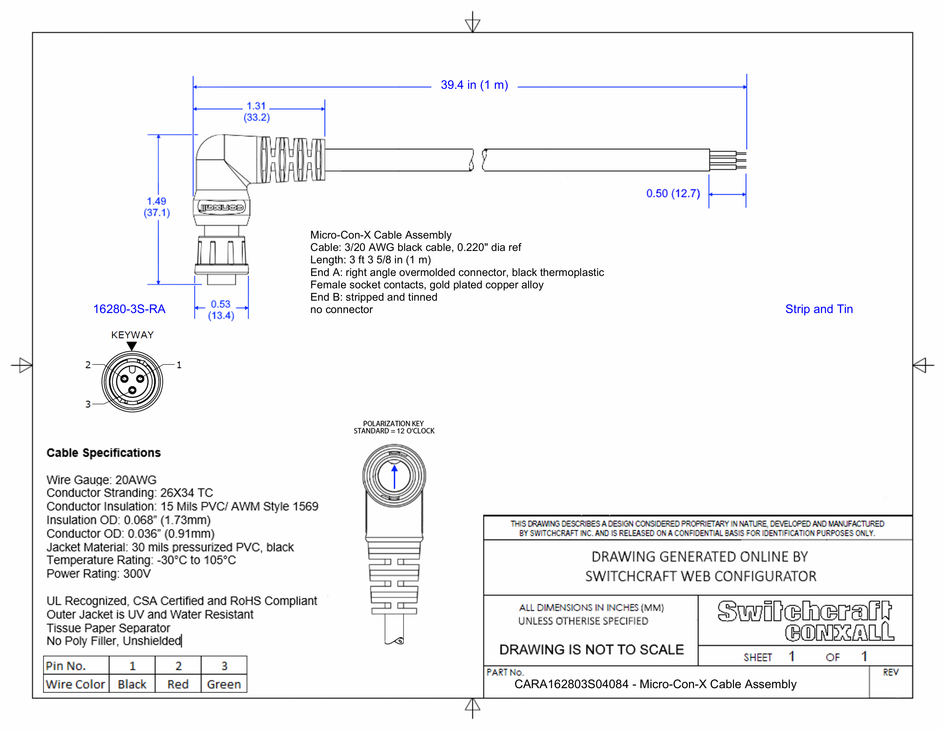
CARA162803S04084

Micro-Con-X Cable Assembly, 3 Position Right Angle, Female to Strip and Tin, 1 Meter

CARA162803S04084
Out of stock
Drawings:
 

Buy Now

View More From This Family