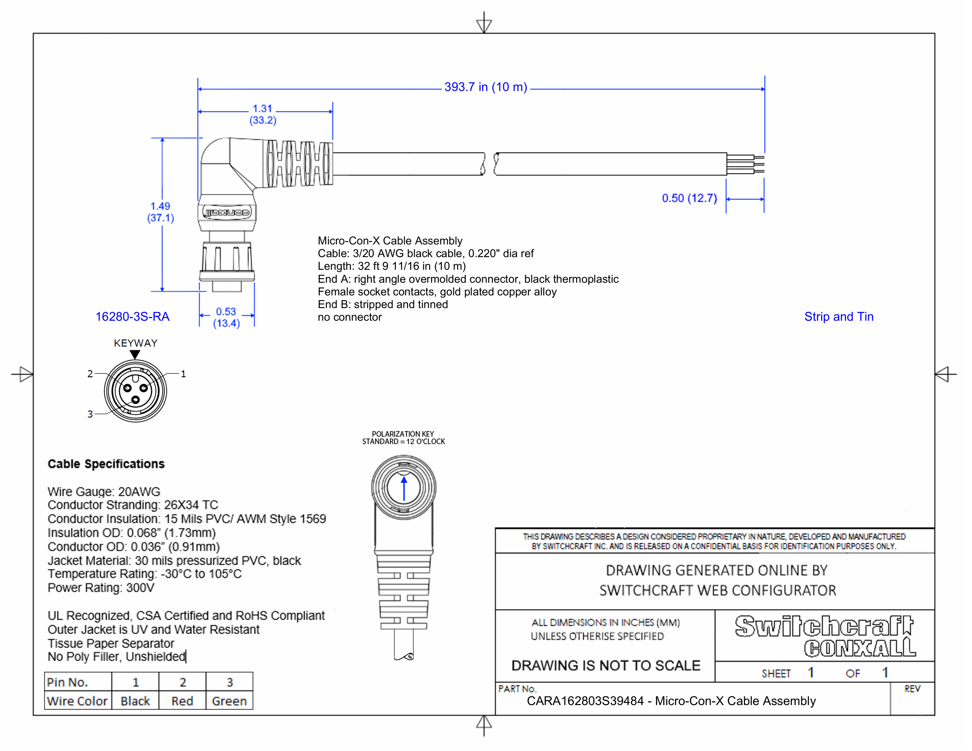
CARA162803S39484

Micro-Con-X Cable Assembly, 3 Position Right Angle, Female to Strip and Tin, 10 Meter

CARA162803S39484
Drawings:
 

Buy Now

View More From This Family