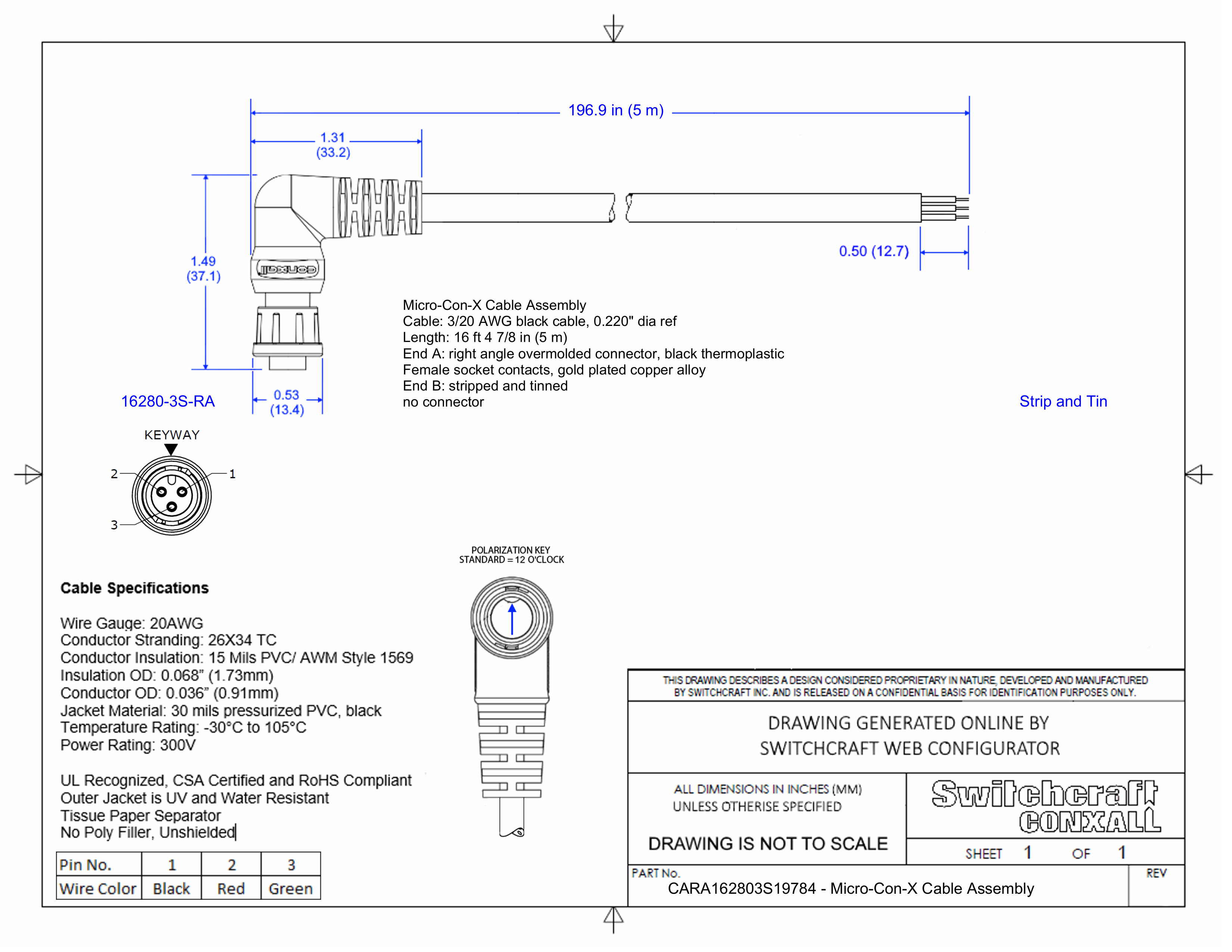
CARA162803S19784

Micro-Con-X Cable Assembly, 3 Position Right Angle, Female to Strip and Tin, 5 Meter

CARA162803S19784
Drawings:
 

Buy Now

View More From This Family