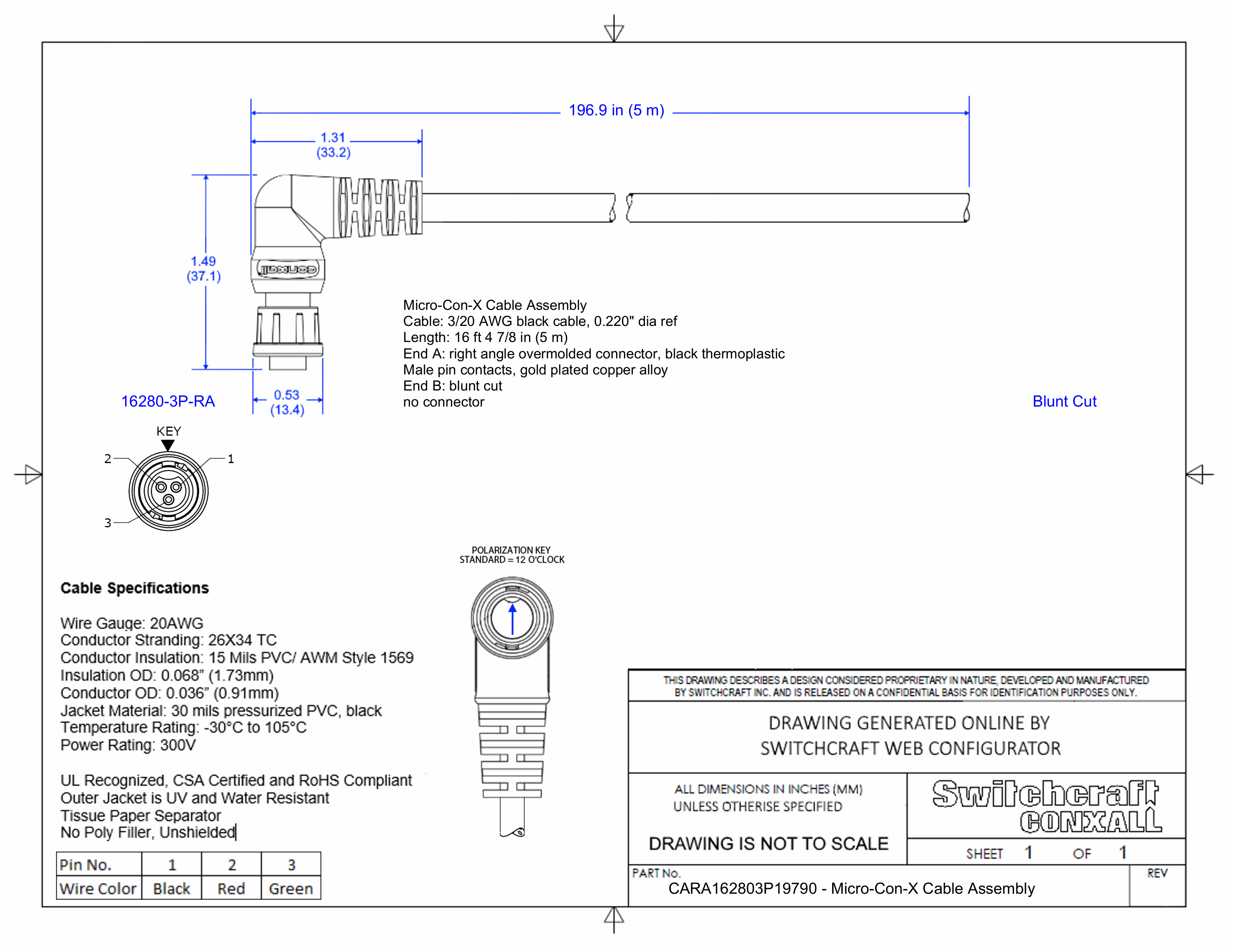
CARA162803P19790

Micro-Con-X Cable Assembly, 3 Position Right Angle, Male to Blunt Cut, 5 Meter

CARA162803P19790
Out of stock
Drawings:
 

Buy Now

View More From This Family