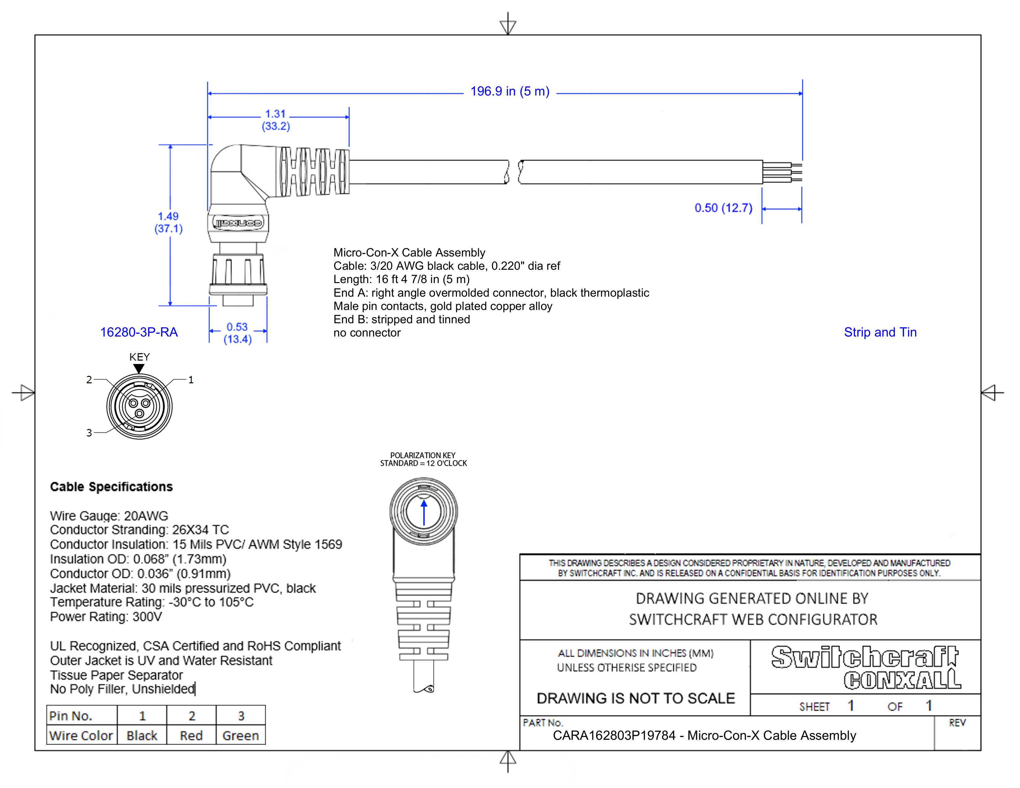
CARA162803P19784

Micro-Con-X Cable Assembly, 3 Position Right Angle, Male to Strip and Tin, 5 Meter

CARA162803P19784
Drawings:
 

Buy Now

View More From This Family