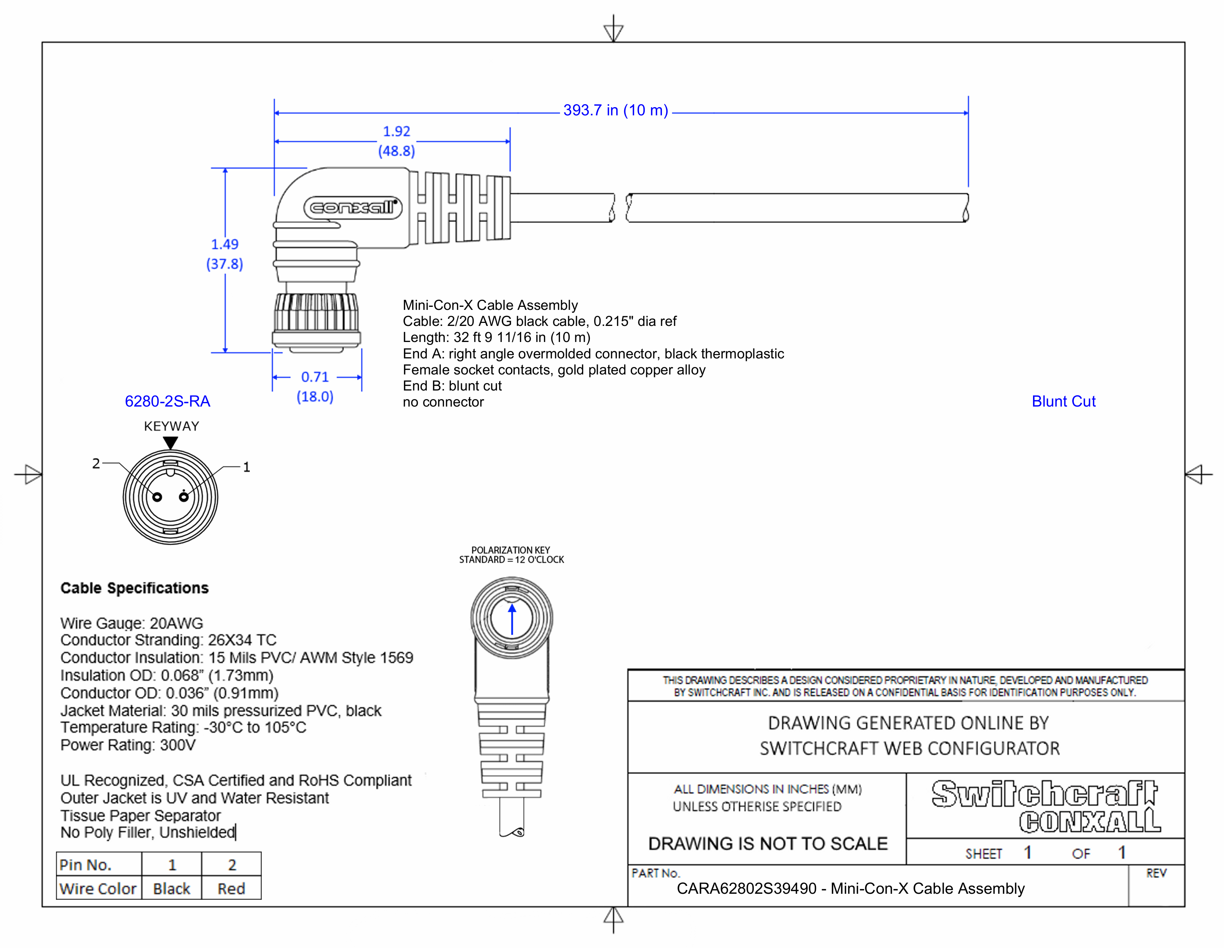
CARA62802S39490

Mini-Con-X Cable Assembly, 2 Position Right Angle, Female to Blunt Cut, 10 Meter

CARA62802S39490
Drawings:
 

Buy Now

View More From This Family