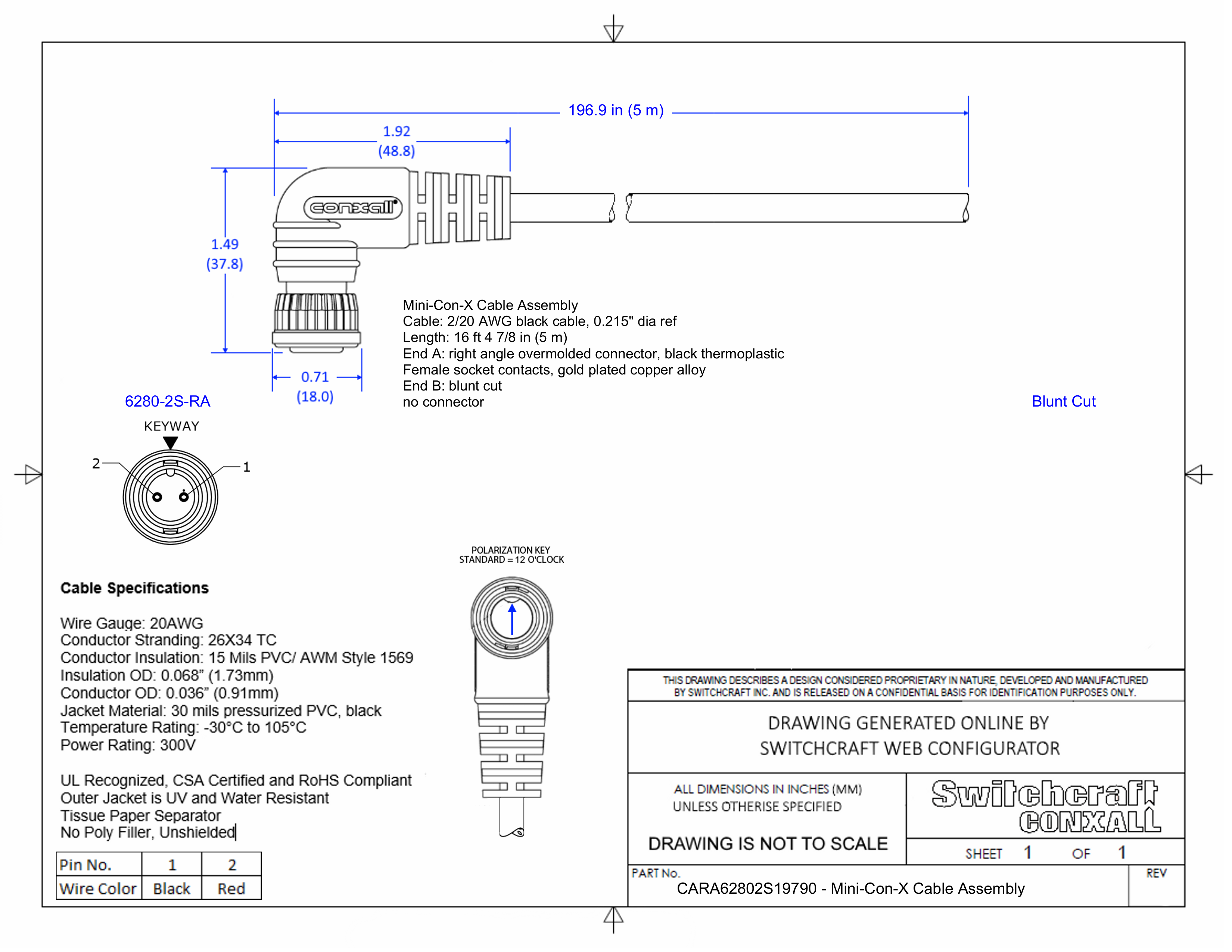
CARA62802S19790

Mini-Con-X Cable Assembly, 2 Position Right Angle, Female to Blunt Cut, 5 Meter

CARA62802S19790
Drawings:
 

Buy Now

View More From This Family