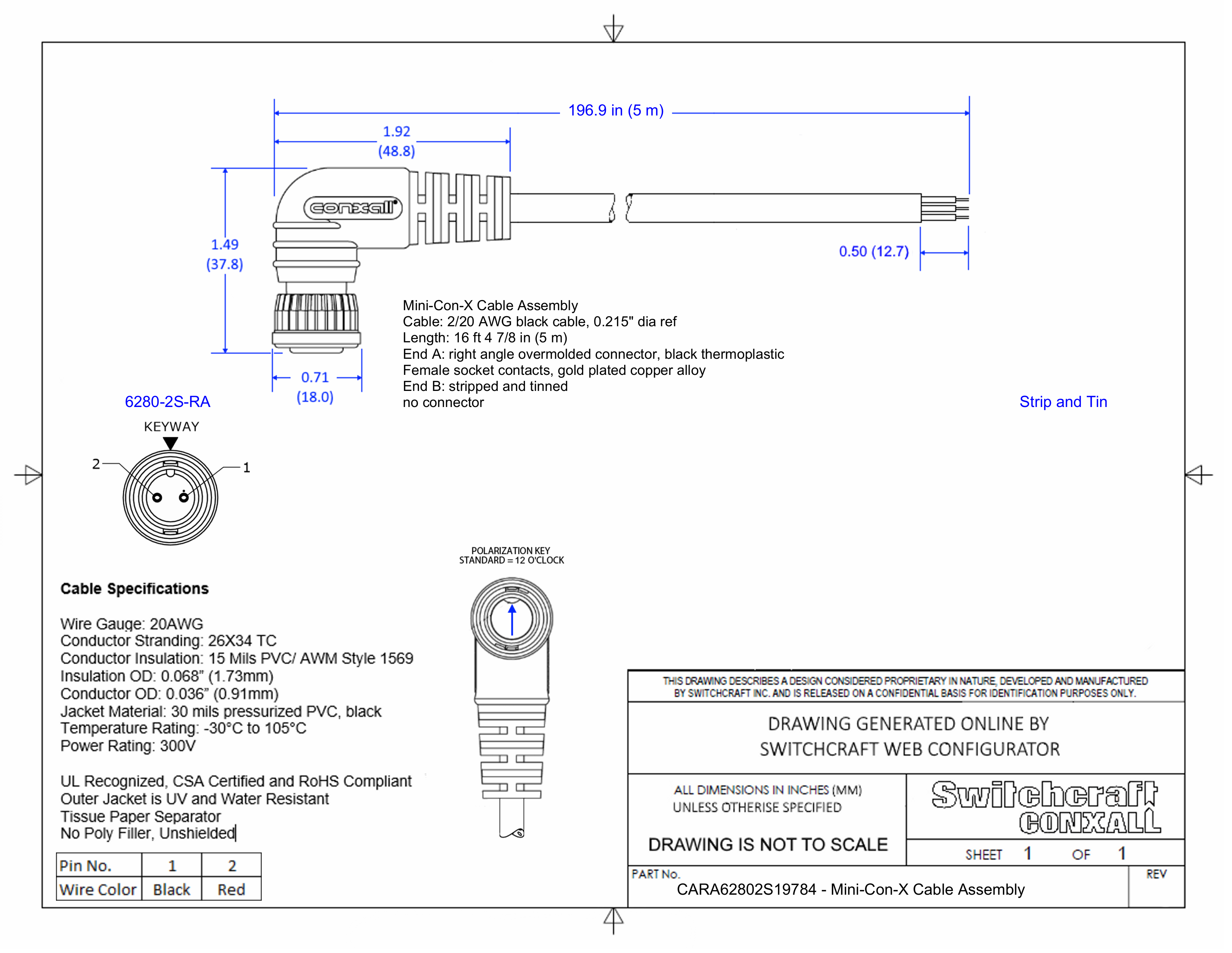
CARA62802S19784

Mini-Con-X Cable Assembly, 2 Position Right Angle, Female to Strip and Tin, 5 Meter

CARA62802S19784
Out of stock
Drawings:
 

Buy Now

View More From This Family