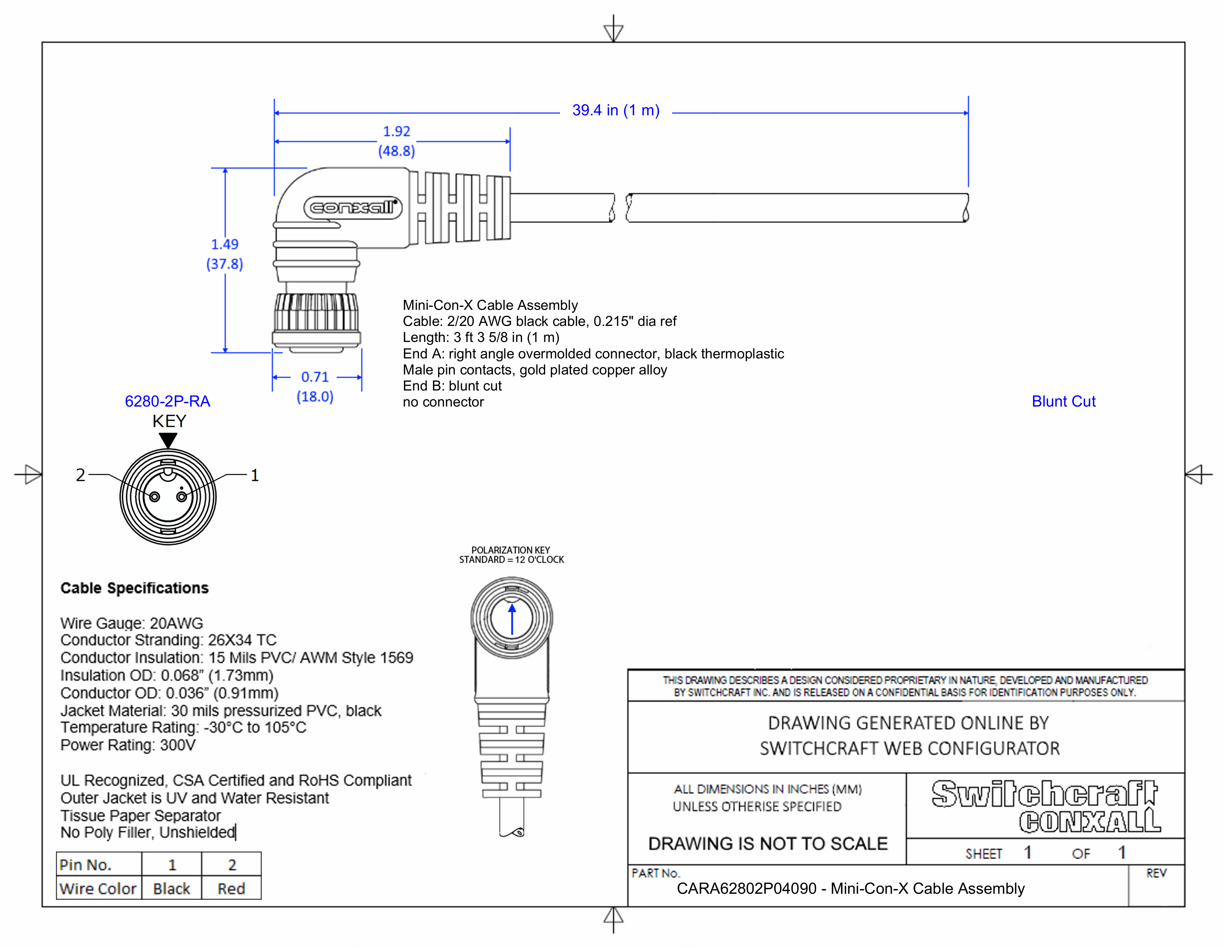
CARA62802P04090

Mini-Con-X Cable Assembly, 2 Position Right Angle, Male to Blunt Cut, 1 Meter

CARA62802P04090
Drawings:
 

Buy Now

View More From This Family