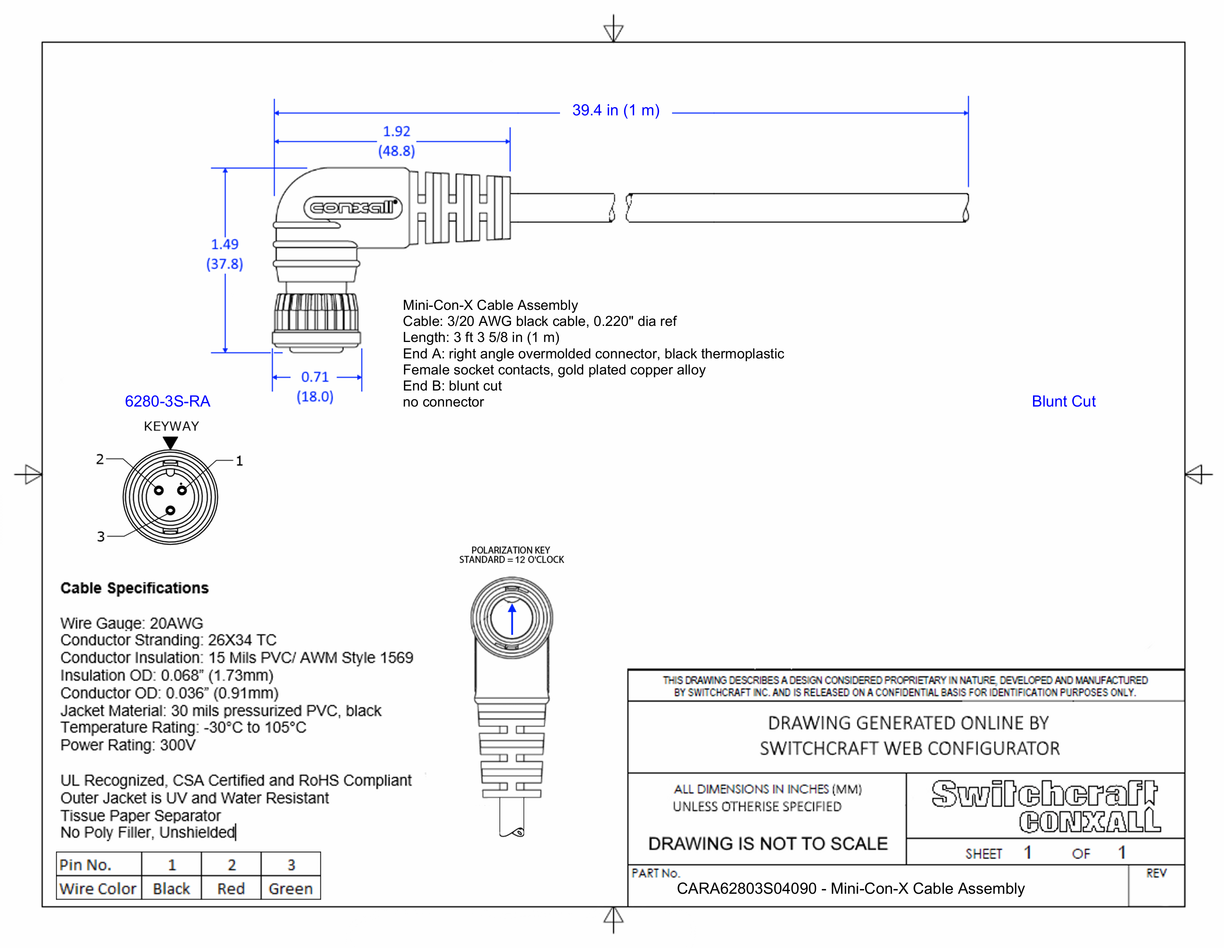
CARA62803S04090

Mini-Con-X Cable Assembly, 3 Position Right Angle, Female to Blunt Cut, 1 Meter

CARA62803S04090
Drawings:
 

Buy Now

View More From This Family