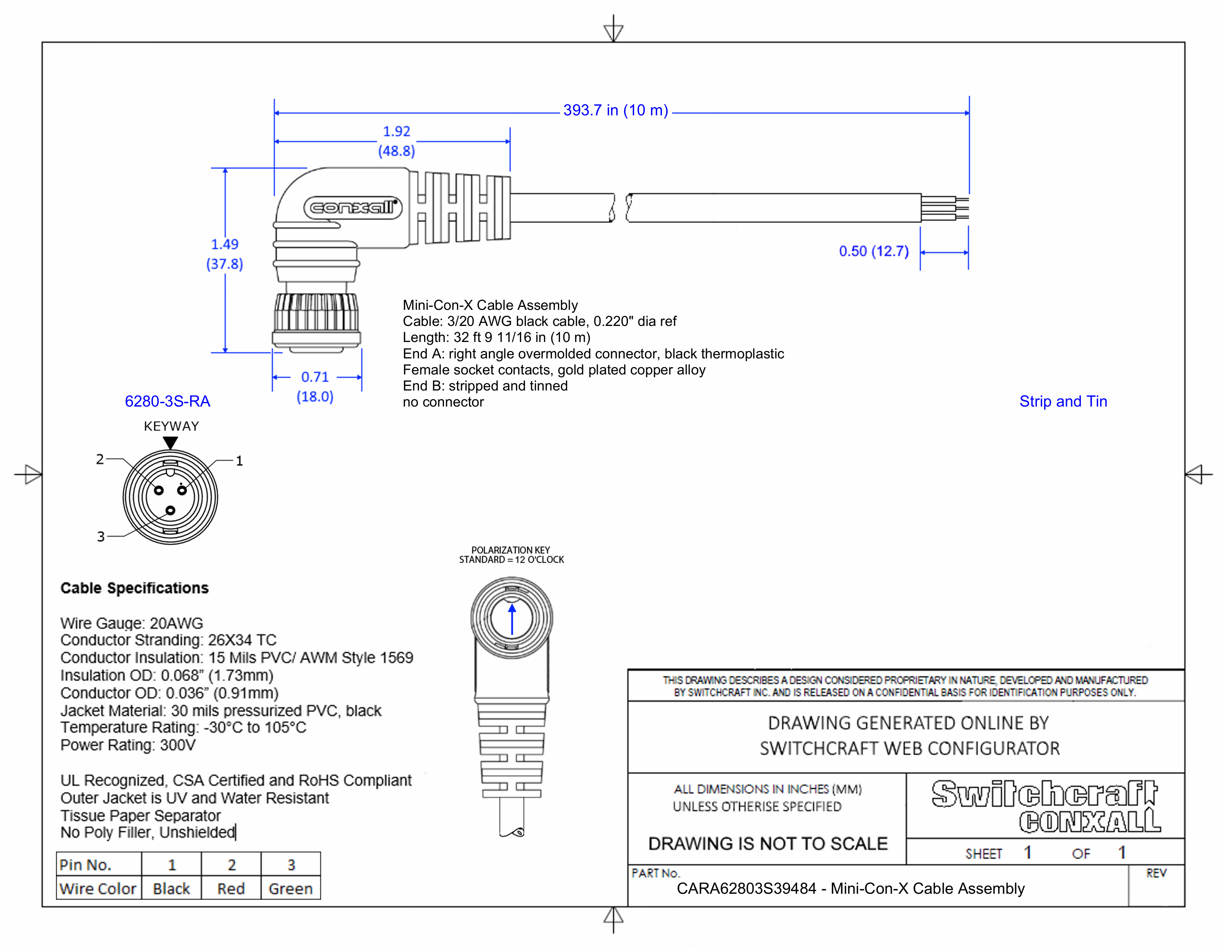
CARA62803S39484

Mini-Con-X Cable Assembly, 3 Position Right Angle, Female to Blunt Cut, 10 Meter

CARA62803S39484
Out of stock
Drawings:
 

Buy Now

View More From This Family