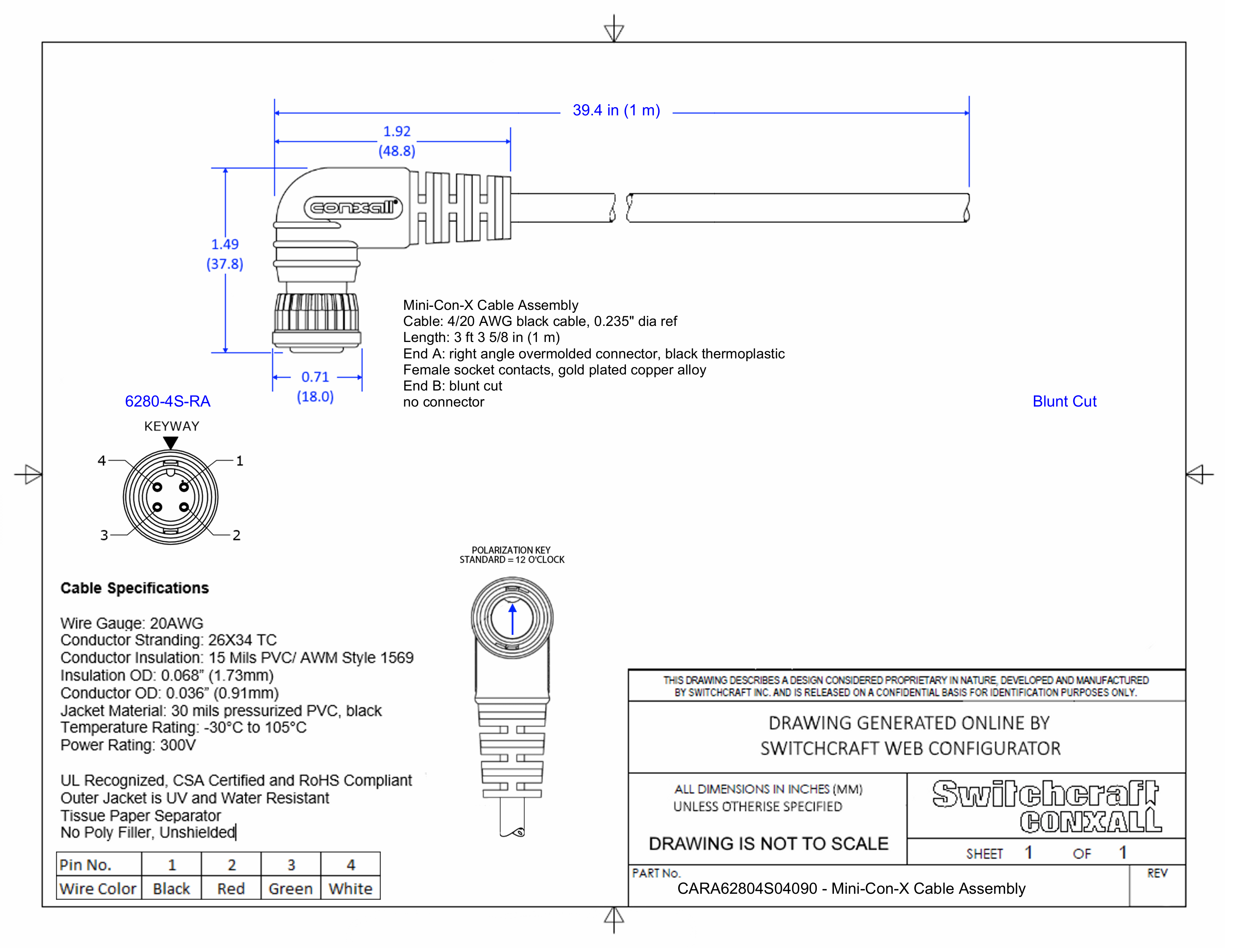
CARA62804S04090

Mini-Con-X Cable Assembly, 4 Position Right Angle, Female to Blunt Cut, 1 Meter

CARA62804S04090
Drawings:
 

Buy Now

View More From This Family