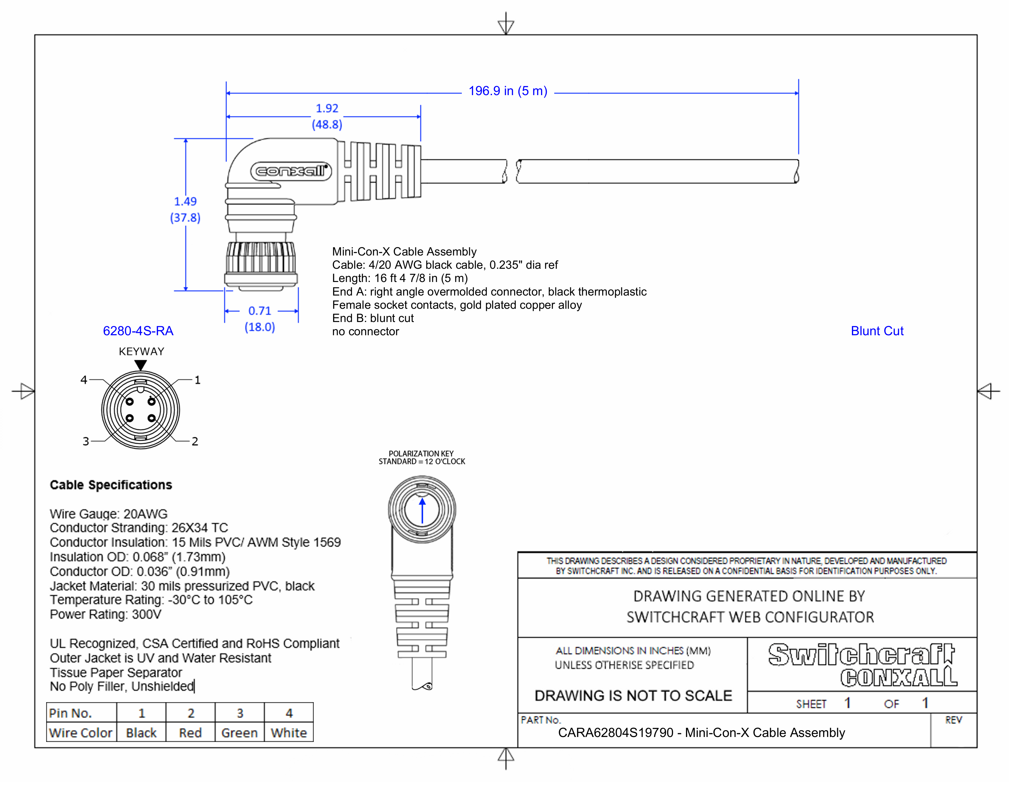
CARA62804S19790

Mini-Con-X Cable Assembly, 4 Position Right Angle, Female to Blunt Cut, 5 Meter

CARA62804S19790
Drawings:
 

Buy Now

View More From This Family