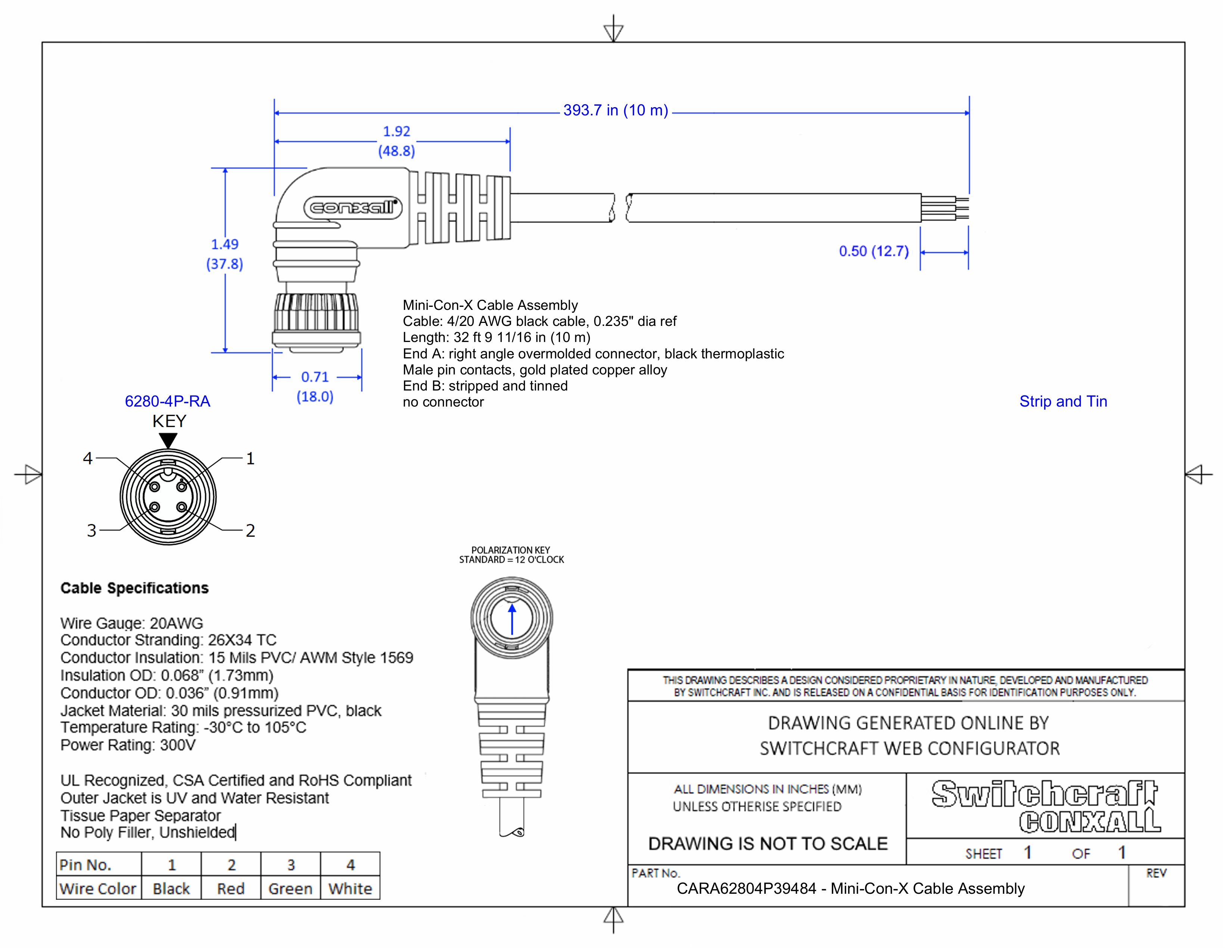
CARA62804P39484

Mini-Con-X Cable Assembly, 4 Position Right Angle, Male to Strip and Tin, 10 Meter

CARA62804P39484
Out of stock
Drawings:
 

Buy Now

View More From This Family