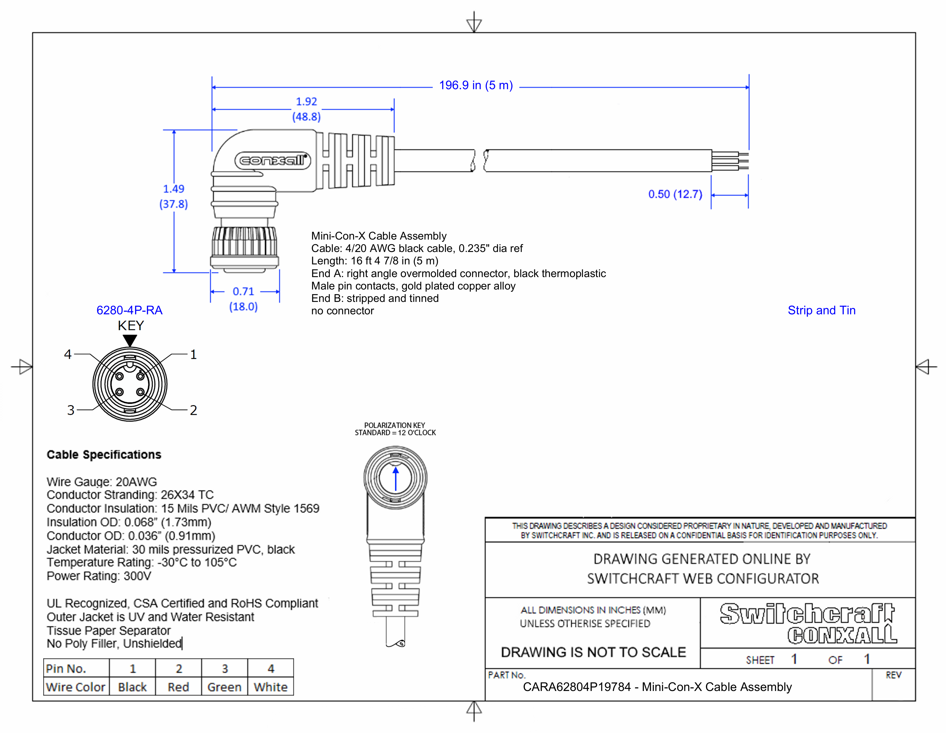
CARA62804P19784

Mini-Con-X Cable Assembly, 4 Position Right Angle, Male to Strip and Tin, 5 Meter

CARA62804P19784
Drawings:
 

Buy Now

View More From This Family