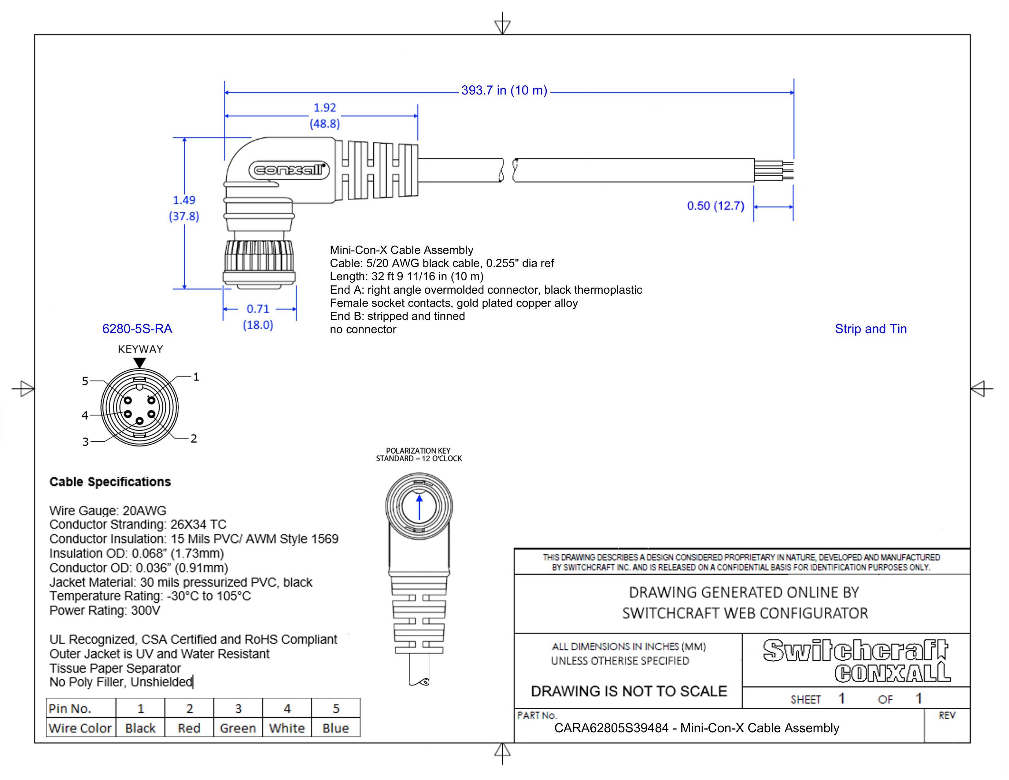
CARA62805S39484

Mini-Con-X Cable Assembly, 5 Position Right Angle, Female to Strip and Tin, 10 Meter

CARA62805S39484
Drawings:
 

Buy Now

View More From This Family