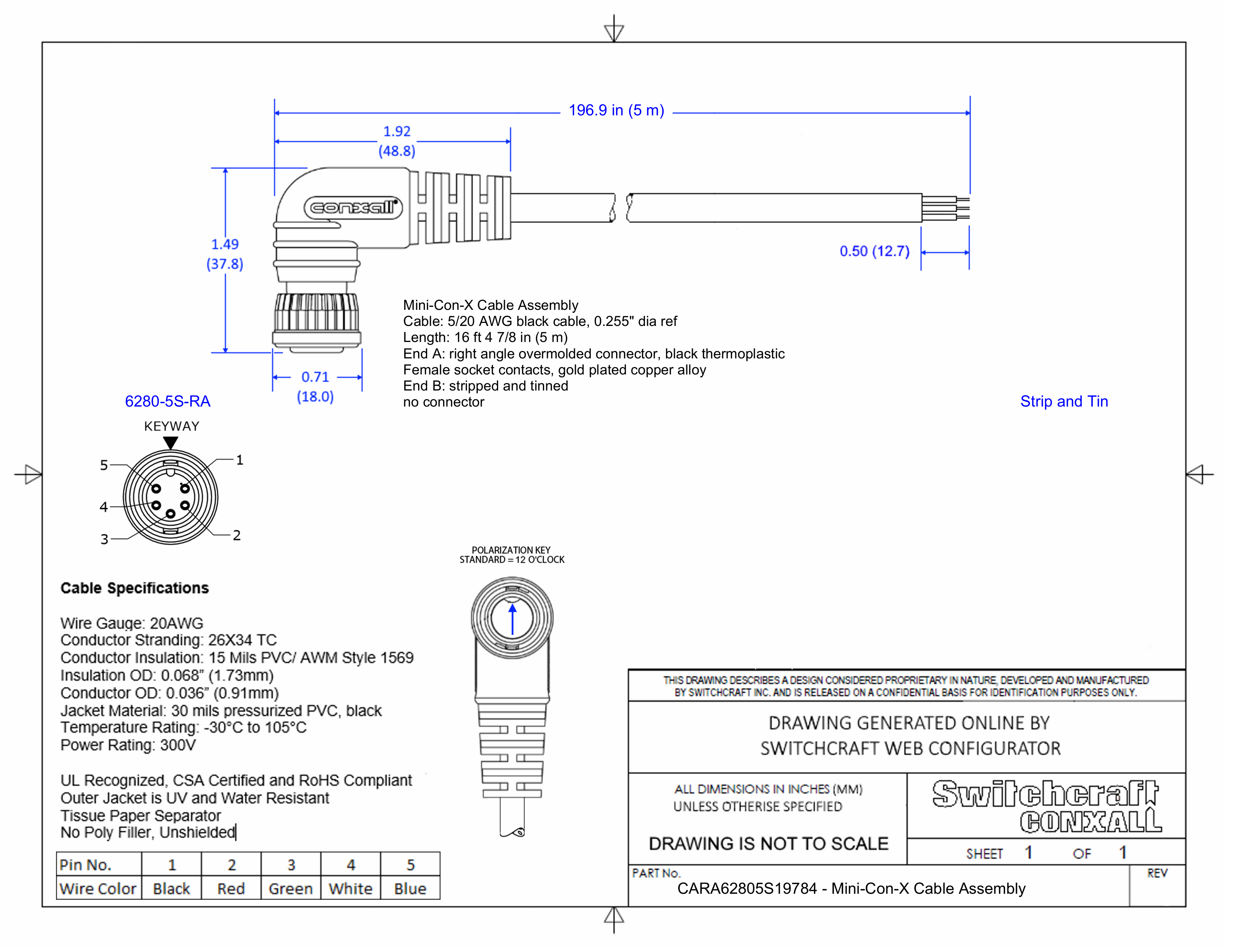
CARA62805S19784

Mini-Con-X Cable Assembly, 5 Position Right Angle, Female to Strip and Tin, 5 Meter

CARA62805S19784
Drawings:
 

Buy Now

View More From This Family